relé bez napětí
- kquba7
- Nováček

- Příspěvky: 49
- Registrován: 04 dub 2011 18:07
- Skutečné jméno: Jakub Kabat
- tel.:: 737554283
- Bydliště: Hájov 24
- Kontaktovat uživatele:
relé bez napětí
prosím o pomoc , nespíná mi relé od vstřikovacího čerpadla , relé je v pořádku ale nejde do něj spínací napětí kostra dobrá ale plusový drát z ŘJ tam je někde problém , kontakt k řidící jednotce dobrý proměřeno
díky za rady
díky za rady
- draken
- Club admin

- Příspěvky: 7972
- Registrován: 12 črc 2009 18:21
- Rok narození: 1991
- Skutečné jméno: Honza
- tel.:: 732440821
- Bydliště: Hr. Králové, Nový Bydžov
Re: relé bez napětí
a jde ti proud do řídící jednotky?
- kquba7
- Nováček

- Příspěvky: 49
- Registrován: 04 dub 2011 18:07
- Skutečné jméno: Jakub Kabat
- tel.:: 737554283
- Bydliště: Hájov 24
- Kontaktovat uživatele:
Re: relé bez napětí
který drát je napájecídrakenx700 píše:a jde ti proud do řídící jednotky?
- draken
- Club admin

- Příspěvky: 7972
- Registrován: 12 črc 2009 18:21
- Rok narození: 1991
- Skutečné jméno: Honza
- tel.:: 732440821
- Bydliště: Hr. Králové, Nový Bydžov
Re: relé bez napětí
co to máš přesně za motor?
- draken
- Club admin

- Příspěvky: 7972
- Registrován: 12 črc 2009 18:21
- Rok narození: 1991
- Skutečné jméno: Honza
- tel.:: 732440821
- Bydliště: Hr. Králové, Nový Bydžov
Re: relé bez napětí
tady je zapojení řj
- draken
- Club admin

- Příspěvky: 7972
- Registrován: 12 črc 2009 18:21
- Rok narození: 1991
- Skutečné jméno: Honza
- tel.:: 732440821
- Bydliště: Hr. Králové, Nový Bydžov
Re: relé bez napětí
pin 9 je klíčový plus a pin 4 impulz od startéru. ten tam je taky potřeba, kvůli relátku čerpadla
- kquba7
- Nováček

- Příspěvky: 49
- Registrován: 04 dub 2011 18:07
- Skutečné jméno: Jakub Kabat
- tel.:: 737554283
- Bydliště: Hájov 24
- Kontaktovat uživatele:
Re: relé bez napětí
takže na 9 napětí je i od startera akorat na te čtyřce je to napětí pořád ne jen impulsdrakenx700 píše:pin 9 je klíčový plus a pin 4 impulz od startéru. ten tam je taky potřeba, kvůli relátku čerpadla
- kquba7
- Nováček

- Příspěvky: 49
- Registrován: 04 dub 2011 18:07
- Skutečné jméno: Jakub Kabat
- tel.:: 737554283
- Bydliště: Hájov 24
- Kontaktovat uživatele:
Re: relé bez napětí
1,4 55kw monotronic
- draken
- Club admin

- Příspěvky: 7972
- Registrován: 12 črc 2009 18:21
- Rok narození: 1991
- Skutečné jméno: Honza
- tel.:: 732440821
- Bydliště: Hr. Králové, Nový Bydžov
Re: relé bez napětí
tak počkej, tohle zapojení je na 1.6ku
- kquba7
- Nováček

- Příspěvky: 49
- Registrován: 04 dub 2011 18:07
- Skutečné jméno: Jakub Kabat
- tel.:: 737554283
- Bydliště: Hájov 24
- Kontaktovat uživatele:
Re: relé bez napětí
máš pls ještě nějake rady ja už jsem uplne bez napadukquba7 píše:1,4 55kw monotronic
- draken
- Club admin

- Příspěvky: 7972
- Registrován: 12 črc 2009 18:21
- Rok narození: 1991
- Skutečné jméno: Honza
- tel.:: 732440821
- Bydliště: Hr. Králové, Nový Bydžov
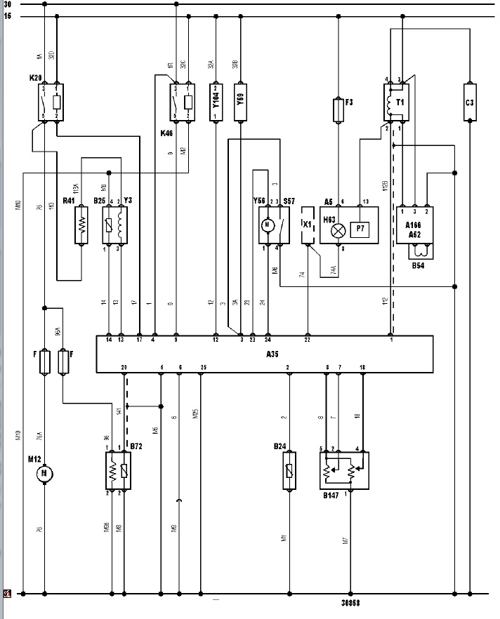
Re: relé bez napětí
tady je schema na 1.4
- kquba7
- Nováček

- Příspěvky: 49
- Registrován: 04 dub 2011 18:07
- Skutečné jméno: Jakub Kabat
- tel.:: 737554283
- Bydliště: Hájov 24
- Kontaktovat uživatele:
Re: relé bez napětí
takže pro to čerpadlo by mělo stačit jen to napětí na té čtyřce ne?drakenx700 píše:tady je schema na 1.4
- kquba7
- Nováček

- Příspěvky: 49
- Registrován: 04 dub 2011 18:07
- Skutečné jméno: Jakub Kabat
- tel.:: 737554283
- Bydliště: Hájov 24
- Kontaktovat uživatele:
Re: relé bez napětí
myslíš že kdybych tam přivedl přes vypínač napětí na to relé že by to hodně vadilo
- vinorak
- odborník

- Příspěvky: 11375
- Registrován: 10 kvě 2007 13:02
- Rok narození: 1986
- Skutečné jméno: Tomas
- tel.:: 0
- Bydliště: Praha
Re: relé bez napětí
no vadit to ničemu nebude, ale otázka je, proč to nejde a jestli to pude nastartovat
a svítí ti kontrolka diagnostiky ?
- kquba7
- Nováček

- Příspěvky: 49
- Registrován: 04 dub 2011 18:07
- Skutečné jméno: Jakub Kabat
- tel.:: 737554283
- Bydliště: Hájov 24
- Kontaktovat uživatele:
Re: relé bez napětí
jsem to zkusil jen tak rychle propojit nastartovat a vše šlo a nesvítila kontrolka teda spis jak jsem to konečně startl tak zhaslavinorak píše:no vadit to ničemu nebude, ale otázka je, proč to nejde a jestli to pude nastartovata svítí ti kontrolka diagnostiky ?
