chadlic oleja -surne!!!!!
-
michalgti
- Uživatel

- Příspěvky: 73
- Registrován: 03 led 2009 20:14
- Rok narození: 1988
- Skutečné jméno: michal
- Bydliště: prievidza
chadlic oleja -surne!!!!!
kupim chladic oleja aj s hadicami s prirubou ..cele komplet.....alebo to vymenim za kapotu z automatu
- Klobe
- Stálý inventář 205clubu

- Příspěvky: 2474
- Registrován: 18 srp 2008 16:30
- Rok narození: 1991
- Skutečné jméno: Tomas
- tel.:: 0
- Bydliště: Uherske Hradiste
Re: chadlic oleja -surne!!!!!
http://forum.205gti.org/viewtopic.php?f=26&t=4324 tady někdo prodává...._Speedycz
Peugeot 405 SRDT r.v. 94 . EX
Mazda 323f 1.5 16v rok 98
Mazda 323f 1.5 16v rok 98
-
michalgti
- Uživatel

- Příspěvky: 73
- Registrován: 03 led 2009 20:14
- Rok narození: 1988
- Skutečné jméno: michal
- Bydliště: prievidza
Re: chadlic oleja -surne!!!!!
to je bez chladica..ale dik
-
michalgti
- Uživatel

- Příspěvky: 73
- Registrován: 03 led 2009 20:14
- Rok narození: 1988
- Skutečné jméno: michal
- Bydliště: prievidza
Re: chadlic oleja -surne!!!!!
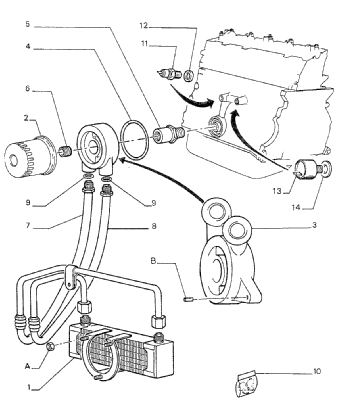
tak tak:Dja potrebujem toto
- Přílohy
-
- olejovy chladic.jpg (25.6 KiB) Zobrazeno 2242 x
-
- cooler.jpg (40.64 KiB) Zobrazeno 2241 x
Re: chadlic oleja -surne!!!!!
speedy prodává výměník olej/voda a michalgti schání výměník olej/vzduchHasis píše:to co prodava speedy, je obycejny vymenik. ne chladic:)