Elektrika v mém motoru
- Hoj@n
- Stálý inventář 205clubu

- Příspěvky: 4473
- Registrován: 31 pro 2008 15:19
- Rok narození: 1990
- Skutečné jméno: Pepa
- tel.:: 777232994
- Bydliště: Zábřeh na Moravě
- Kontaktovat uživatele:
Re: Elektrika v mém motoru
Je to tak, jak říkáš, problém bude nejspíš v tomto... no zítra mě čeká zkoušení, ale tak už vím, co a kde hledat... snad nebude problém nikde jinde 
PEUGEOT 205 Roland Garros "GYRROSEK"- r.v. 1992, 1.4, 55kw - Byvavalo :-(
Toyota Celica "Natálka"- r.v. 1995, 1.8, 85kw
Toyota Celica "Natálka"- r.v. 1995, 1.8, 85kw
Re: Elektrika v mém motoru
Pak dej vědět, ale pokud ti všechno ostatní fungovalo tak by problém neměl být nikde, hlavně aby jsi to natočil, to ostatní už se dořeší.
- Hoj@n
- Stálý inventář 205clubu

- Příspěvky: 4473
- Registrován: 31 pro 2008 15:19
- Rok narození: 1990
- Skutečné jméno: Pepa
- tel.:: 777232994
- Bydliště: Zábřeh na Moravě
- Kontaktovat uživatele:
Re: Elektrika v mém motoru
Já to snad nenastartuju.... Nechápu to... zkoušel jsem to proměřit a nic. K čerpadlu nejde šťáva, navedl jsem tam 12 V přímo na čerpadlo. Jeden pin 12V, druhý jsem uzemnil a nic, čerpadlo se nehlo. Proměřil jsem ten konektor, v něm taky štáva nebyla... zapojené to mám podle toho, jak jsme se bavili. Konektopr nahoře v pojistkovce v rohu, jeden bílý 76, druhý žlutý 76A, ten ale nevede nikam.... Přikládám pár obrázků pro důkaz...
- Přílohy
PEUGEOT 205 Roland Garros "GYRROSEK"- r.v. 1992, 1.4, 55kw - Byvavalo :-(
Toyota Celica "Natálka"- r.v. 1995, 1.8, 85kw
Toyota Celica "Natálka"- r.v. 1995, 1.8, 85kw
Re: Elektrika v mém motoru
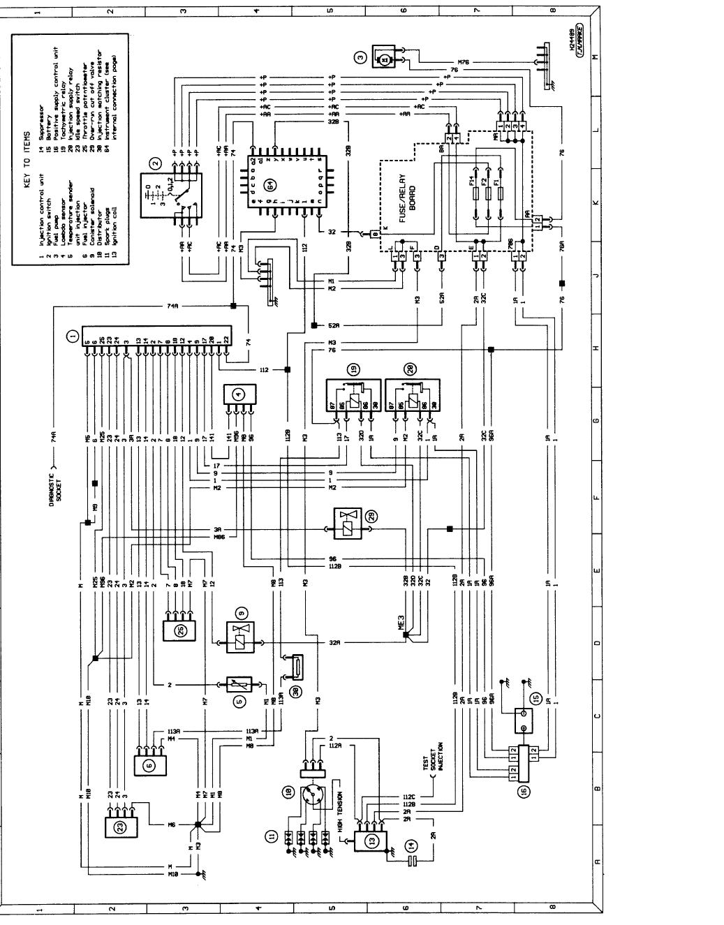
Když mrkneš do schematu tak odkud kam vede ta žlutá 76? Teď to máš jeden konec v pojistkovce a druhej konec volnej?
- Hoj@n
- Stálý inventář 205clubu

- Příspěvky: 4473
- Registrován: 31 pro 2008 15:19
- Rok narození: 1990
- Skutečné jméno: Pepa
- tel.:: 777232994
- Bydliště: Zábřeh na Moravě
- Kontaktovat uživatele:
Re: Elektrika v mém motoru
Situace je takováto.... u palivového čerpadla je kabel 76 bílý, v pojistkovbce je 76 bílý zapojený (žlutý konektor dvoupinový), druhý drýtek v tomto konektoru je kabel 76A, který je prázdný, koncovka je tam taková, jakou jsem dával na fotku (žlutý kabel)... Přišel jsem na to, že z motorového svazku jde taky kabel 76 a je na něm konektor jako je na tom kabelu 76A. zkoušel jsem propojovat a nic....
Edit: U čerpadla je ještě zelenožlutý kabel, předpokládám ukostření, ten ale směrem k pojistkovce nejde, myslím si, že bude někde ukostřen...
Edit: U čerpadla je ještě zelenožlutý kabel, předpokládám ukostření, ten ale směrem k pojistkovce nejde, myslím si, že bude někde ukostřen...
PEUGEOT 205 Roland Garros "GYRROSEK"- r.v. 1992, 1.4, 55kw - Byvavalo :-(
Toyota Celica "Natálka"- r.v. 1995, 1.8, 85kw
Toyota Celica "Natálka"- r.v. 1995, 1.8, 85kw
Re: Elektrika v mém motoru
zelenožlutý je standardně kostra.
Abych řekl pravdu, tak teď už mě nic nenapadá. Mohu se ti podívat jak je to u čerpadla řešený u mě a případně zkusím jít po kabelu am až dojdu, ale nejdřív zítra, protože za chvíli autem potřebuju jet takže teď nic rozdělávat už nebudu.
Abych řekl pravdu, tak teď už mě nic nenapadá. Mohu se ti podívat jak je to u čerpadla řešený u mě a případně zkusím jít po kabelu am až dojdu, ale nejdřív zítra, protože za chvíli autem potřebuju jet takže teď nic rozdělávat už nebudu.
- Hoj@n
- Stálý inventář 205clubu

- Příspěvky: 4473
- Registrován: 31 pro 2008 15:19
- Rok narození: 1990
- Skutečné jméno: Pepa
- tel.:: 777232994
- Bydliště: Zábřeh na Moravě
- Kontaktovat uživatele:
Re: Elektrika v mém motoru
Jojo, pohoda, já stejně za chvíli odjíždím do Zlína, takže na to máš celý týden, ale pokud se koukneš, tak budu velmi rád
A na sraze to fakt vypadá, že koupím celou bečku 
PEUGEOT 205 Roland Garros "GYRROSEK"- r.v. 1992, 1.4, 55kw - Byvavalo :-(
Toyota Celica "Natálka"- r.v. 1995, 1.8, 85kw
Toyota Celica "Natálka"- r.v. 1995, 1.8, 85kw
Re: Elektrika v mém motoru
Pokusím se to nějak rozklíčovat a snad to nějak dáme dohromady :-) Vypadá to, že po sraze budu týden střízlivět :-D
- Hoj@n
- Stálý inventář 205clubu

- Příspěvky: 4473
- Registrován: 31 pro 2008 15:19
- Rok narození: 1990
- Skutečné jméno: Pepa
- tel.:: 777232994
- Bydliště: Zábřeh na Moravě
- Kontaktovat uživatele:
Re: Elektrika v mém motoru
Popřípadě až pujdeš kolem auta, tak se mrkni, jestli máš ten kabel 76A nějak zapojený, podle mě to má být popojeno s kabelem 76, který jde do motorového prostoru. Podle schémata je to tam jaksi divně zakresleno :-D
PEUGEOT 205 Roland Garros "GYRROSEK"- r.v. 1992, 1.4, 55kw - Byvavalo :-(
Toyota Celica "Natálka"- r.v. 1995, 1.8, 85kw
Toyota Celica "Natálka"- r.v. 1995, 1.8, 85kw
Re: Elektrika v mém motoru
Zkusím jít po kabelech od pojistkovky a uvidím kam dojdu :-)
- Mitja
- Stálý inventář 205clubu

- Příspěvky: 4659
- Registrován: 27 lis 2007 19:05
- Rok narození: 1986
- Skutečné jméno: Ondra
- tel.:: 0
- Bydliště: Studénka-Butovice
- Kontaktovat uživatele:
Re: Elektrika v mém motoru
Na konektoru u cerpadla bys mel nameri napeti jen chvilicku po otoceni klickem do druhe polohy, pak prestane tlacit a zacne az jak zacnes startovat. No, ale u nekterych Pugu to mam pocit tlaci jen az zacnes startovat a ne dopredu.. teda alespon kdysi nekdo neco takoveho rikal. Takze v tom pripade bys tam zadne napeti normalne nenameril, az kdyz zacnes startovat.
Pokud jsi na cerpadlo (primo na nej, dole jak z neho couha kousicek bileho konektoru) privedl 12V a kostru a nic se nestalo, tak ti zatuhlo nebo umrelo. At zapojis 12v na cerpadlo jakkoli, stejne jede... akorat kdyz neodhadnes polaritu, tak netlaci a dela bublinky do nadrze : ).
Pokud je zatuhle, tak na neho zkus privest napeti prave opacne nez ma byt, abys ho rozhybal...
Pokud jsi na cerpadlo (primo na nej, dole jak z neho couha kousicek bileho konektoru) privedl 12V a kostru a nic se nestalo, tak ti zatuhlo nebo umrelo. At zapojis 12v na cerpadlo jakkoli, stejne jede... akorat kdyz neodhadnes polaritu, tak netlaci a dela bublinky do nadrze : ).
Pokud je zatuhle, tak na neho zkus privest napeti prave opacne nez ma byt, abys ho rozhybal...
---------------------------------------------------------------------------------------------------------------
Peugeot 205, 1.1i (44kw), color line, '91 - na vikendy
Renault Megane II sedan, 1.4 16V (72kw), sportway, '09 - hlavni auto
Peugeot 306 sedan, 1.6i (65kw), '95 - na dojezdeni
CPI Popcorn, 50 ccm, '03 - ceka na opravu
Škoda Fabia II 1.4 TDI (59kw), '06 - prace/Misa
Peugeot 205, 1.1i (44kw), color line, '91 - na vikendy
Renault Megane II sedan, 1.4 16V (72kw), sportway, '09 - hlavni auto
Peugeot 306 sedan, 1.6i (65kw), '95 - na dojezdeni
CPI Popcorn, 50 ccm, '03 - ceka na opravu
Škoda Fabia II 1.4 TDI (59kw), '06 - prace/Misa
- Hoj@n
- Stálý inventář 205clubu

- Příspěvky: 4473
- Registrován: 31 pro 2008 15:19
- Rok narození: 1990
- Skutečné jméno: Pepa
- tel.:: 777232994
- Bydliště: Zábřeh na Moravě
- Kontaktovat uživatele:
Re: Elektrika v mém motoru
No, podle toho obrázku se světelnou zkoušečkou jde vidět, že jsem tam napájení dával.... zkoušel jsem to i naopak a stále nic...
PEUGEOT 205 Roland Garros "GYRROSEK"- r.v. 1992, 1.4, 55kw - Byvavalo :-(
Toyota Celica "Natálka"- r.v. 1995, 1.8, 85kw
Toyota Celica "Natálka"- r.v. 1995, 1.8, 85kw
- vinorak
- odborník

- Příspěvky: 11375
- Registrován: 10 kvě 2007 13:02
- Rok narození: 1986
- Skutečné jméno: Tomas
- tel.:: 0
- Bydliště: Praha
Re: Elektrika v mém motoru
prostě chcíplo..... vem injekční stříkačku, sundej plast mezi sánim a filtrm, stříkni tam trochu benzínu a di startovat. Mělo by to na chvilku chytit. Ti přdem vyloučíš závadu zapalování..
- Mitja
- Stálý inventář 205clubu

- Příspěvky: 4659
- Registrován: 27 lis 2007 19:05
- Rok narození: 1986
- Skutečné jméno: Ondra
- tel.:: 0
- Bydliště: Studénka-Butovice
- Kontaktovat uživatele:
Re: Elektrika v mém motoru
No ja si nejsem jisty jestli je to jen kvuli fotce a nebo jsi tam ten proud privedl jen pres zkousecku, protoze ta ti tech 6 amper do cerpadla nepustiHoj@n píše:No, podle toho obrázku se světelnou zkoušečkou jde vidět, že jsem tam napájení dával.... zkoušel jsem to i naopak a stále nic...
---------------------------------------------------------------------------------------------------------------
Peugeot 205, 1.1i (44kw), color line, '91 - na vikendy
Renault Megane II sedan, 1.4 16V (72kw), sportway, '09 - hlavni auto
Peugeot 306 sedan, 1.6i (65kw), '95 - na dojezdeni
CPI Popcorn, 50 ccm, '03 - ceka na opravu
Škoda Fabia II 1.4 TDI (59kw), '06 - prace/Misa
Peugeot 205, 1.1i (44kw), color line, '91 - na vikendy
Renault Megane II sedan, 1.4 16V (72kw), sportway, '09 - hlavni auto
Peugeot 306 sedan, 1.6i (65kw), '95 - na dojezdeni
CPI Popcorn, 50 ccm, '03 - ceka na opravu
Škoda Fabia II 1.4 TDI (59kw), '06 - prace/Misa
