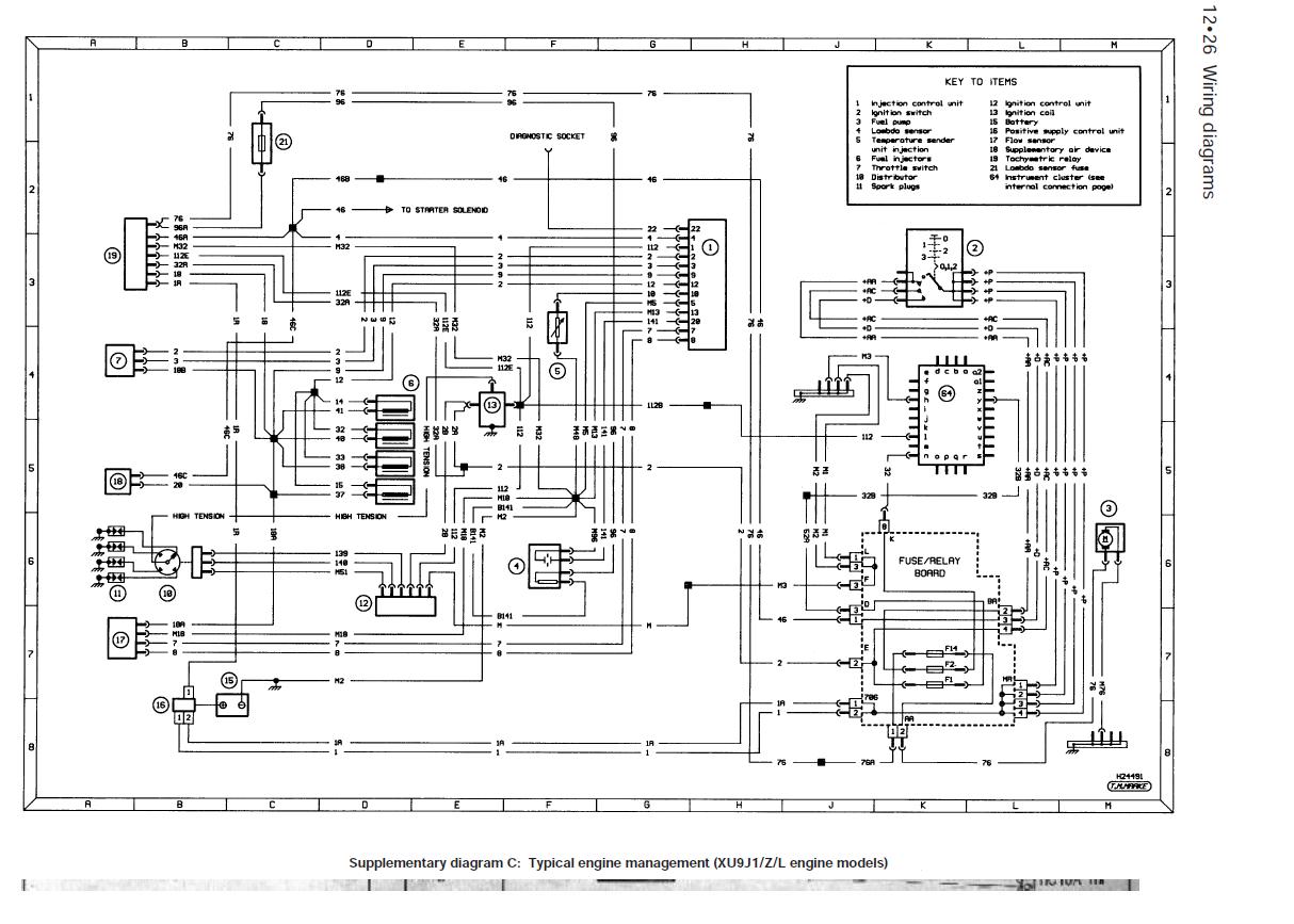
Schéma elektroinstalace motoru 1.9Gti s 2 řádkovou jednotkou
- skardik
- Aktivní uživatel

- Příspěvky: 438
- Registrován: 13 srp 2008 21:03
- Rok narození: 1984
- Skutečné jméno: Jirka
- Bydliště: Hlavní město piva
- Kontaktovat uživatele:
Schéma elektroinstalace motoru 1.9Gti s 2 řádkovou jednotkou
Nemáte prosím někdo tohle schéma? Díky
Pažout 205 1.9 Rallye - MI16 :)
VW Passat Variant B5,5 2,5 V6 TDI 4motion - Prodáno
Suzuki TL 1000S, Powercommander + K&N + RP tuning exhaust - Červená raketa na dvou kolech :)
IVECO Eurocargo E100
Octavia II 2.0FSi 4x4 LaK
Ford Transit Sněhurva
VW Passat Variant B5,5 2,5 V6 TDI 4motion - Prodáno
Suzuki TL 1000S, Powercommander + K&N + RP tuning exhaust - Červená raketa na dvou kolech :)
IVECO Eurocargo E100
Octavia II 2.0FSi 4x4 LaK
Ford Transit Sněhurva
- skardik
- Aktivní uživatel

- Příspěvky: 438
- Registrován: 13 srp 2008 21:03
- Rok narození: 1984
- Skutečné jméno: Jirka
- Bydliště: Hlavní město piva
- Kontaktovat uživatele:
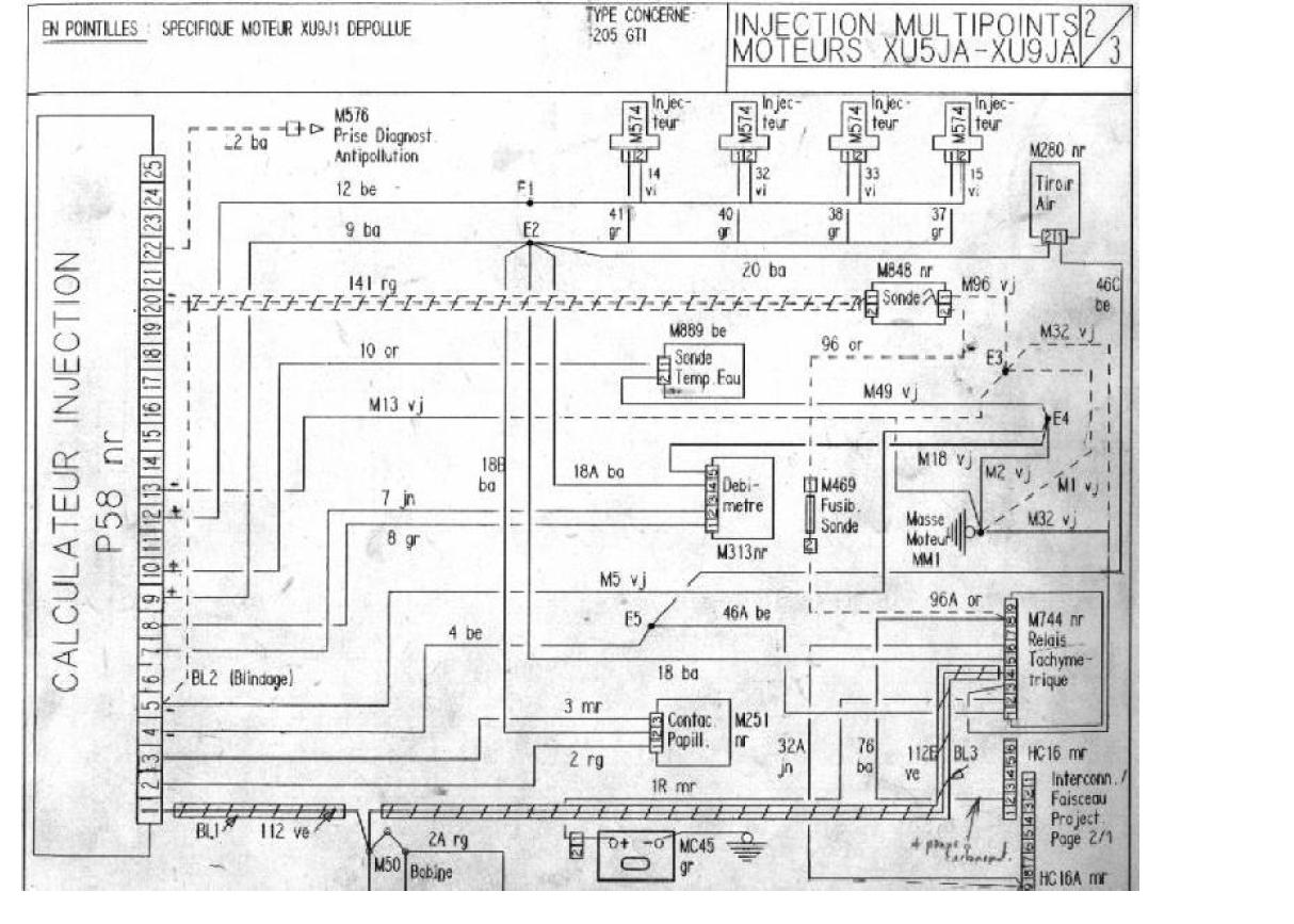
Re: Schéma elektroinstalace motoru 1.9Gti s 2 řádkovou jednotkou
Díky 
Pažout 205 1.9 Rallye - MI16 :)
VW Passat Variant B5,5 2,5 V6 TDI 4motion - Prodáno
Suzuki TL 1000S, Powercommander + K&N + RP tuning exhaust - Červená raketa na dvou kolech :)
IVECO Eurocargo E100
Octavia II 2.0FSi 4x4 LaK
Ford Transit Sněhurva
VW Passat Variant B5,5 2,5 V6 TDI 4motion - Prodáno
Suzuki TL 1000S, Powercommander + K&N + RP tuning exhaust - Červená raketa na dvou kolech :)
IVECO Eurocargo E100
Octavia II 2.0FSi 4x4 LaK
Ford Transit Sněhurva

