Predelani cidla teploty, pro spousteni sahary.

Vše co se týka problémů a zapojení elektriky, el. obvodů, vnitřní el. výbavy apod.
Uživatelský avatar
Bartik333
Stálý inventář 205clubu
Stálý inventář 205clubu
Příspěvky: 3836
Registrován: 03 úno 2008 17:20
Skutečné jméno: Lubos
tel.:: 607684334
Bydliště: Telč
Kontaktovat uživatele:

Predelani cidla teploty, pro spousteni sahary.

Příspěvek od Bartik333 »

Na Palave jsem zjistil (kluci) zjistili, ze mam jine cidlo na chladici pro spousteni sahary.

Je jine v zapojeni konetoru. Nemate nekdo navod ci nevite nekdo, jak predelat spravne zapojeni, aby to fungovalo.
Jde o predelani z 3 pinu co jsou dokola na 3 piny vedle sebe.

Obrázek
Obrázek
Peugeot 205 1.9D 47kw r.v. 1991 -zatím nic moc,ale az se do nej dám,bude to voňavka. :205:
Peugeot 205 cabrio
Dacia Sandero 1.4 55kw r.v. 2009
Škoda Felicie 1.3 MPI r.v. 1998 40Kw - Odesla do vecnych lovišť,když se nepohodla se silným dubem.
13.11 2008 - Prvni pokuta za nezaple pasy 500kč.
Dne 1.7 2011 - tuning by srnka (prava predni část v háji)
Uživatelský avatar
Milhaus
Club admin
Club admin
Příspěvky: 10058
Registrován: 19 bře 2007 09:55
Rok narození: 1984
Skutečné jméno: Milan
Bydliště: Býškovice
Kontaktovat uživatele:

Re: Predelani cidla teploty, pro spousteni sahary.

Příspěvek od Milhaus »

a kdyby ještě někdo nakreslil schéma jak vůbec tu saharu zapojit, třeba i na vypínač, byl bych rád :fran: Třeba zjistím že je to taky čidlem :myslim:
________
Peugeot 205 | GT | | v rytmu 90. let |
Fabia 1,9 | SDI |
Uživatelský avatar
draken
Club admin
Club admin
Příspěvky: 7972
Registrován: 12 črc 2009 18:21
Rok narození: 1991
Skutečné jméno: Honza
tel.:: 732440821
Bydliště: Hr. Králové, Nový Bydžov

Re: Predelani cidla teploty, pro spousteni sahary.

Příspěvek od draken »

ty to máš skoro stejný jako na dieselech. S tim rozdílem, že to čidlo spíná přímo saharu. Tam dej místo čidla na chladiči relé a přes vypínač z palubky pouštěj do relátka klíčový + a bude to makat
Uživatelský avatar
vinorak
odborník
odborník
Příspěvky: 11375
Registrován: 10 kvě 2007 13:02
Rok narození: 1986
Skutečné jméno: Tomas
tel.:: 0
Bydliště: Praha

Re: Predelani cidla teploty, pro spousteni sahary.

Příspěvek od vinorak »

někde sem už tady dával mitjovi schéma, ale nemůžu to najít a celý schémata se mi nechtej stahovat :m: u tebe Mílo to je fakt jednoduchý, na tvém místě bych asi natáh jenom nový dráty a věřil, že to čidlo funguje.

z pojiskovky u světla jde plus do čidla, to při nižší teplotě sepne první kontakt a proud teče do toho odporu (ten váleček co máš přidělanej nahoře na chladiči) a z něj už přímo na vrtuli (druhý drát z vrtule jde na kostru). Když se to ohřeje víc, tak sepne druhý kontakt a proud jde přímo do vrtule a ta se točí naplno ;-) nebo pokud tomu nevěříš, tak vem z tý samý pojiskovky plus někam do interiéru, jednoduchej vypínač a zpět na větrák a budeš mít manuální ovládání ;-) (ale ten drát musí mít odpovídající průřez, teče tam docela dost ampér ;-)
Peugeot 205 1.9 Gti Griffe Obrázek

Citroen c2 1.4 hdi
Uživatelský avatar
Klobe
Stálý inventář 205clubu
Stálý inventář 205clubu
Příspěvky: 2474
Registrován: 18 srp 2008 16:30
Rok narození: 1991
Skutečné jméno: Tomas
tel.:: 0
Bydliště: Uherske Hradiste

Re: Predelani cidla teploty, pro spousteni sahary.

Příspěvek od Klobe »

hm... vidím že ty pežoti mají s tímto docelo problém. já jel ve čtvrtek na chatu a v prudkém kopci mě taky nezaply sahary a komplet jsem vyvřel :sweat:
Peugeot 405 SRDT r.v. 94 . EX
Mazda 323f 1.5 16v rok 98
Uživatelský avatar
draken
Club admin
Club admin
Příspěvky: 7972
Registrován: 12 črc 2009 18:21
Rok narození: 1991
Skutečné jméno: Honza
tel.:: 732440821
Bydliště: Hr. Králové, Nový Bydžov

Re: Predelani cidla teploty, pro spousteni sahary.

Příspěvek od draken »

S tim nemaj problém jen pežoti, ale auta celkově, protože to je věc, která neběží pořád a třeba to čidlo na spínání nemáš šanci nějak přeměřit, když je v autě na chladiči. Takže nefunkční saharu poznáš až když je pozdě
Uživatelský avatar
vinorak
odborník
odborník
Příspěvky: 11375
Registrován: 10 kvě 2007 13:02
Rok narození: 1986
Skutečné jméno: Tomas
tel.:: 0
Bydliště: Praha

Re: Predelani cidla teploty, pro spousteni sahary.

Příspěvek od vinorak »

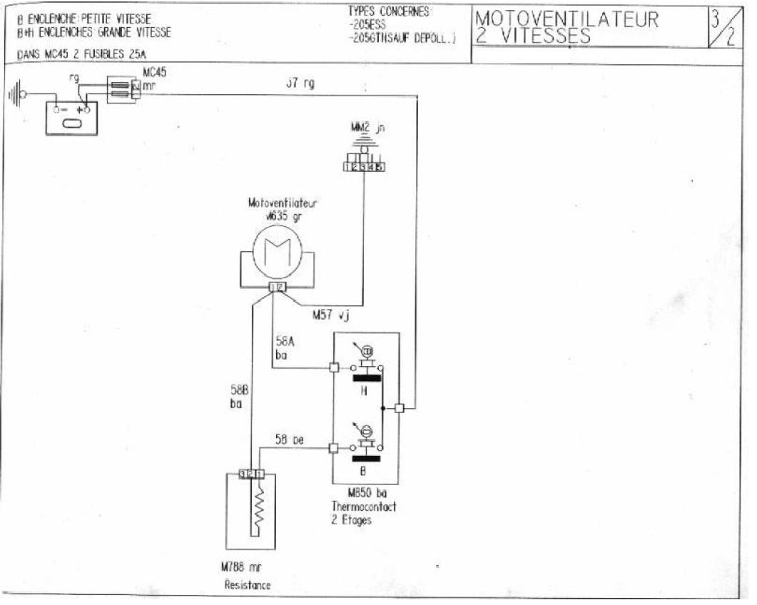
schéma :urg:
Přílohy
sahara.JPG
Peugeot 205 1.9 Gti Griffe Obrázek

Citroen c2 1.4 hdi
Uživatelský avatar
Thyoridas
Stálý inventář 205clubu
Stálý inventář 205clubu
Příspěvky: 1422
Registrován: 02 kvě 2009 14:49
Rok narození: 1989
tel.:: 721384196
Bydliště: Vlčnov u Uherského Hradiště
Kontaktovat uživatele:

Re: Predelani cidla teploty, pro spousteni sahary.

Příspěvek od Thyoridas »

kdyz vyradim ten odpor, tak sahary povalija na plne kule hned z razu ? :myslim:
Býlí Pežó "tů ou fajv, van pojnt najn, dží tý áj / ár ár" :gti: - PRODÁNO
BMW E46 328i sedan - budouci drift machine ;)
Uživatelský avatar
draken
Club admin
Club admin
Příspěvky: 7972
Registrován: 12 črc 2009 18:21
Rok narození: 1991
Skutečné jméno: Honza
tel.:: 732440821
Bydliště: Hr. Králové, Nový Bydžov

Re: Predelani cidla teploty, pro spousteni sahary.

Příspěvek od draken »

jo, ale musíš ho propojit ne jen vyřadit
Uživatelský avatar
Bartik333
Stálý inventář 205clubu
Stálý inventář 205clubu
Příspěvky: 3836
Registrován: 03 úno 2008 17:20
Skutečné jméno: Lubos
tel.:: 607684334
Bydliště: Telč
Kontaktovat uživatele:

Re: Predelani cidla teploty, pro spousteni sahary.

Příspěvek od Bartik333 »

Kluci ty cidla schema nemate??? Jenom potrebuju vedet, ktere je provni, druhy a treti, abych to nejak neprohodil.
Peugeot 205 1.9D 47kw r.v. 1991 -zatím nic moc,ale az se do nej dám,bude to voňavka. :205:
Peugeot 205 cabrio
Dacia Sandero 1.4 55kw r.v. 2009
Škoda Felicie 1.3 MPI r.v. 1998 40Kw - Odesla do vecnych lovišť,když se nepohodla se silným dubem.
13.11 2008 - Prvni pokuta za nezaple pasy 500kč.
Dne 1.7 2011 - tuning by srnka (prava predni část v háji)
Uživatelský avatar
draken
Club admin
Club admin
Příspěvky: 7972
Registrován: 12 črc 2009 18:21
Rok narození: 1991
Skutečné jméno: Honza
tel.:: 732440821
Bydliště: Hr. Králové, Nový Bydžov

Re: Predelani cidla teploty, pro spousteni sahary.

Příspěvek od draken »

a nejsou na tom čidle náhodou čísla? myslim jednotlivý konektory
Uživatelský avatar
Bartik333
Stálý inventář 205clubu
Stálý inventář 205clubu
Příspěvky: 3836
Registrován: 03 úno 2008 17:20
Skutečné jméno: Lubos
tel.:: 607684334
Bydliště: Telč
Kontaktovat uživatele:

Re: Predelani cidla teploty, pro spousteni sahary.

Příspěvek od Bartik333 »

to netusim, budu na to muset vecer po praci kouknout, ale myslim ze nejsou.
Peugeot 205 1.9D 47kw r.v. 1991 -zatím nic moc,ale az se do nej dám,bude to voňavka. :205:
Peugeot 205 cabrio
Dacia Sandero 1.4 55kw r.v. 2009
Škoda Felicie 1.3 MPI r.v. 1998 40Kw - Odesla do vecnych lovišť,když se nepohodla se silným dubem.
13.11 2008 - Prvni pokuta za nezaple pasy 500kč.
Dne 1.7 2011 - tuning by srnka (prava predni část v háji)
Uživatelský avatar
vinorak
odborník
odborník
Příspěvky: 11375
Registrován: 10 kvě 2007 13:02
Rok narození: 1986
Skutečné jméno: Tomas
tel.:: 0
Bydliště: Praha

Re: Predelani cidla teploty, pro spousteni sahary.

Příspěvek od vinorak »

dát do kastrolu s vodou a vařit :fran: a pak ti už stačí jenom obyč zkoušečka
Peugeot 205 1.9 Gti Griffe Obrázek

Citroen c2 1.4 hdi
Uživatelský avatar
draken
Club admin
Club admin
Příspěvky: 7972
Registrován: 12 črc 2009 18:21
Rok narození: 1991
Skutečné jméno: Honza
tel.:: 732440821
Bydliště: Hr. Králové, Nový Bydžov

Re: Predelani cidla teploty, pro spousteni sahary.

Příspěvek od draken »

vinorak píše:dát do kastrolu s vodou a vařit :fran: a pak ti už stačí jenom obyč zkoušečka
to je asi jedinej způsob jak to vyzkoušet, ale když vyndáš čidlo z chladiče, tak zas poteče ven voda.
Uživatelský avatar
vinorak
odborník
odborník
Příspěvky: 11375
Registrován: 10 kvě 2007 13:02
Rok narození: 1986
Skutečné jméno: Tomas
tel.:: 0
Bydliště: Praha

Re: Predelani cidla teploty, pro spousteni sahary.

Příspěvek od vinorak »

:fran: no tak sehnat někoho, kdo má to starý čidlo a podívá se na barvy v konektoru a je to ;-)
Peugeot 205 1.9 Gti Griffe Obrázek

Citroen c2 1.4 hdi
Odpovědět