mechanismus zámku dveří
- vinorak
- odborník

- Příspěvky: 11375
- Registrován: 10 kvě 2007 13:02
- Rok narození: 1986
- Skutečné jméno: Tomas
- tel.:: 0
- Bydliště: Praha
mechanismus zámku dveří
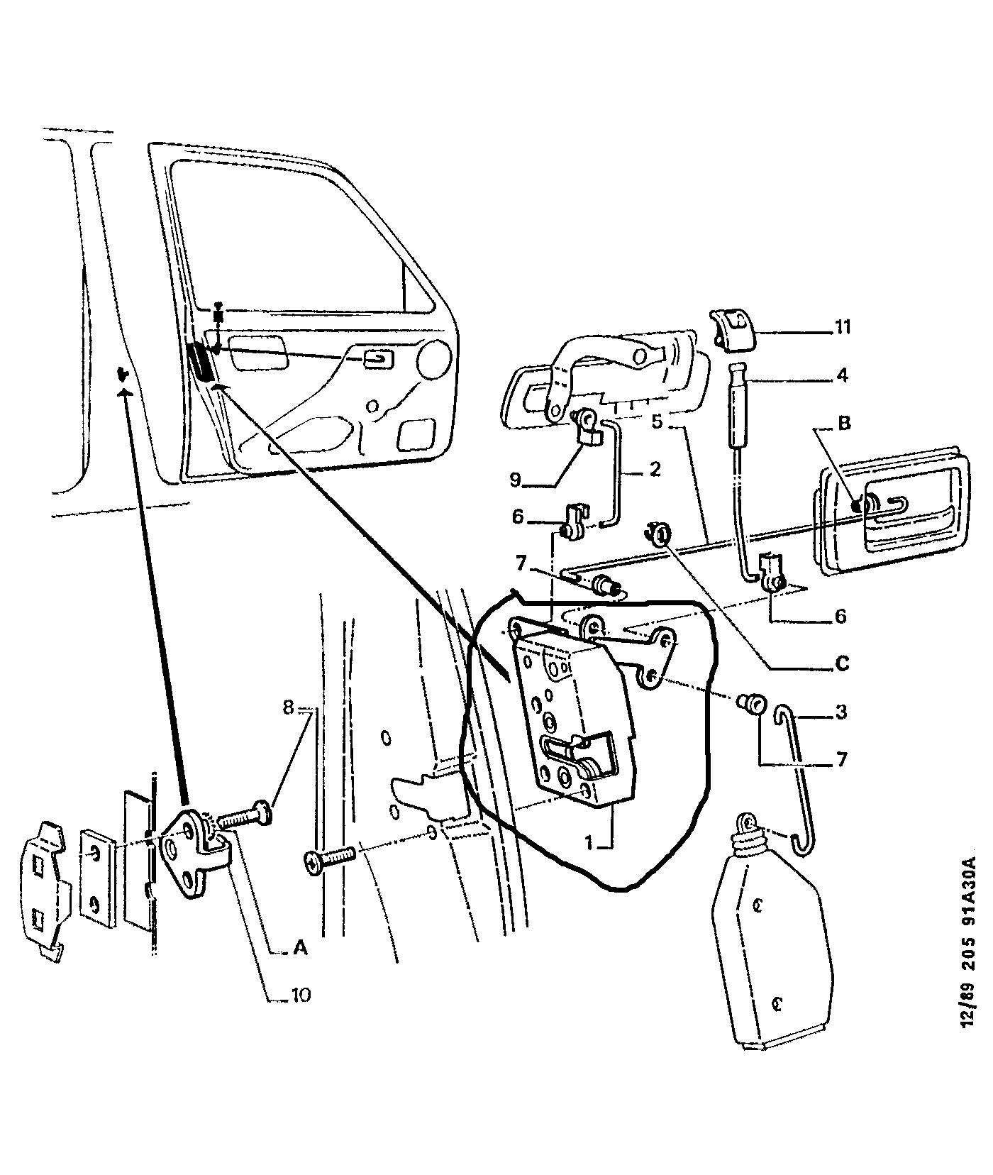
jelikož se mi posral zámek ve dveřích, tak mi nešli zabouchnout dveře, tak sem zamáč čudlík, dveře se zavřeli, ale nejdou už otevřít
Takže bych potřebovla funkční mechanismus co zapadá do oka na kastli pro spolujezdcovi dveře
prostě to co je ve dveřích, drží to na 3 torxech avedou do toho táhla od klik a zámku
jo a dost to spěchá 
- WoMec
- Stálý inventář 205clubu

- Příspěvky: 6592
- Registrován: 05 led 2008 14:30
- Rok narození: 1987
- Skutečné jméno: Honza
- tel.:: 775037752
- Bydliště: Vyškov
Re: mechanismus zámku dveří
mě to delalo to samé .. asi před 2 rokama ... ale stačilo to vytáhnout, rozebrat, vyčistit a už to zase funguje ;)
- Thyoridas
- Stálý inventář 205clubu

- Příspěvky: 1422
- Registrován: 02 kvě 2009 14:49
- Rok narození: 1989
- tel.:: 721384196
- Bydliště: Vlčnov u Uherského Hradiště
- Kontaktovat uživatele:
Re: mechanismus zámku dveří
to mam doma na dverach na vyhozeni, je to funkcni, hned zitra ti to poslu... 
EDIT: Teda pokud je to stejne jak na 3-dver, ja mam na kastli enom takovy trn, ne oko...
EDIT: Teda pokud je to stejne jak na 3-dver, ja mam na kastli enom takovy trn, ne oko...
Býlí Pežó "tů ou fajv, van pojnt najn, dží tý áj / ár ár"
- PRODÁNO
BMW E46 328i sedan - budouci drift machine ;)
BMW E46 328i sedan - budouci drift machine ;)
- Mirda KV
- Aktivní uživatel

- Příspěvky: 310
- Registrován: 21 dub 2008 18:14
- Rok narození: 1978
- Skutečné jméno: Mirek
- Bydliště: Karlovy Vary
Re: mechanismus zámku dveří
dělalo mi to kdysi taky , celý sem to vyndal , vyčistil namazal , ale nakonec byl problém v klice. To vnitřní táhlo od kliky zůstávalo vyset .
- vinorak
- odborník

- Příspěvky: 11375
- Registrován: 10 kvě 2007 13:02
- Rok narození: 1986
- Skutečné jméno: Tomas
- tel.:: 0
- Bydliště: Praha
Re: mechanismus zámku dveří
tak už to zařídil Stenli
jinak mě už se to právě stalo minule, nakonec se mi to povedlo otevřít, tak sem to řádně promazal a vydrželo to tak měsíc a dneska znova. Takže klidně archiv 


