elekrické stahování
- Stennli07
- 205club je můj domov

- Příspěvky: 915
- Registrován: 23 srp 2009 06:12
- Rok narození: 1972
- Skutečné jméno: Standa
- tel.:: 606825547
- Bydliště: Zruč nad Sazavou
- Kontaktovat uživatele:
elekrické stahování
Ahoj prosím o radu dneska jsem montoval el.stahování jsem ve stadiu kdy od řidiče otevřu obě okna ale u spolujezdce neotevřu okno když jsme vytáhli vypínač u spolujezdce tak jsem od řidiče spolujezdovo okno neotevřel když jej tam dám zpátky tak od řidiče okno u spolujezdce otevřu nemá někdo plánek čistě na okna v elektrice?
jedná se mi že máme rozvod origo co je od výrobce jak jsou v tý kulatý zastrčce dráty musel jsem dva prohodit protože aby to vubec jelo tak takhle jsem dopadl
jedná se mi že máme rozvod origo co je od výrobce jak jsou v tý kulatý zastrčce dráty musel jsem dva prohodit protože aby to vubec jelo tak takhle jsem dopadl
Peugeot 205 1.6 GTI Stennli07 nyní již 84 kw---prodáno
Peugeot 205 1.2 Bella
Fiat Ullyse 1.9 TD žralok na peníze- prodáno
Peugot 306 1.4
http://www.sbazar.cz/bazar-zruc-nad-saz ... 04727.html
http://autodily.wbs.cz/Ůvod.html
Peugeot 205 1.2 Bella
Fiat Ullyse 1.9 TD žralok na peníze- prodáno
Peugot 306 1.4
http://www.sbazar.cz/bazar-zruc-nad-saz ... 04727.html
http://autodily.wbs.cz/Ůvod.html
- draken
- Club admin

- Příspěvky: 7972
- Registrován: 12 črc 2009 18:21
- Rok narození: 1991
- Skutečné jméno: Honza
- tel.:: 732440821
- Bydliště: Hr. Králové, Nový Bydžov
Re: elekrické stahování
pomůže tohle, ale to co popisuješ vypadá na KO spínače u spolujezdce
- Stennli07
- 205club je můj domov

- Příspěvky: 915
- Registrován: 23 srp 2009 06:12
- Rok narození: 1972
- Skutečné jméno: Standa
- tel.:: 606825547
- Bydliště: Zruč nad Sazavou
- Kontaktovat uživatele:
Re: elekrické stahování
vypínače jsem prostřídal a ty běží
Peugeot 205 1.6 GTI Stennli07 nyní již 84 kw---prodáno
Peugeot 205 1.2 Bella
Fiat Ullyse 1.9 TD žralok na peníze- prodáno
Peugot 306 1.4
http://www.sbazar.cz/bazar-zruc-nad-saz ... 04727.html
http://autodily.wbs.cz/Ůvod.html
Peugeot 205 1.2 Bella
Fiat Ullyse 1.9 TD žralok na peníze- prodáno
Peugot 306 1.4
http://www.sbazar.cz/bazar-zruc-nad-saz ... 04727.html
http://autodily.wbs.cz/Ůvod.html
- Stennli07
- 205club je můj domov

- Příspěvky: 915
- Registrován: 23 srp 2009 06:12
- Rok narození: 1972
- Skutečné jméno: Standa
- tel.:: 606825547
- Bydliště: Zruč nad Sazavou
- Kontaktovat uživatele:
Re: elekrické stahování
nevíte někdo jak jsou umísteny drýta v tech kulatých svorkovnicích?
Peugeot 205 1.6 GTI Stennli07 nyní již 84 kw---prodáno
Peugeot 205 1.2 Bella
Fiat Ullyse 1.9 TD žralok na peníze- prodáno
Peugot 306 1.4
http://www.sbazar.cz/bazar-zruc-nad-saz ... 04727.html
http://autodily.wbs.cz/Ůvod.html
Peugeot 205 1.2 Bella
Fiat Ullyse 1.9 TD žralok na peníze- prodáno
Peugot 306 1.4
http://www.sbazar.cz/bazar-zruc-nad-saz ... 04727.html
http://autodily.wbs.cz/Ůvod.html
- vinorak
- odborník

- Příspěvky: 11375
- Registrován: 10 kvě 2007 13:02
- Rok narození: 1986
- Skutečné jméno: Tomas
- tel.:: 0
- Bydliště: Praha
Re: elekrické stahování
v kulatých netušim
asi ti nezbyde nic jinýho než vzít zkoušečku a jet hezky po drátech podle schématu
vypadá to, jako že ti do toho vypínače u spolujezdce nejde plus 
- draken
- Club admin

- Příspěvky: 7972
- Registrován: 12 črc 2009 18:21
- Rok narození: 1991
- Skutečné jméno: Honza
- tel.:: 732440821
- Bydliště: Hr. Králové, Nový Bydžov
Re: elekrické stahování
jo to by to vysvětlovalovinorak píše:v kulatých netušimasi ti nezbyde nic jinýho než vzít zkoušečku a jet hezky po drátech podle schématu
vypadá to, jako že ti do toho vypínače u spolujezdce nejde plus
- Stennli07
- 205club je můj domov

- Příspěvky: 915
- Registrován: 23 srp 2009 06:12
- Rok narození: 1972
- Skutečné jméno: Standa
- tel.:: 606825547
- Bydliště: Zruč nad Sazavou
- Kontaktovat uživatele:
Re: elekrické stahování
to bych pochopil že tam není ani jsem jej tam nenašel ale jak to provézt aniž bych musel nějak likvidovat chtěl bych tam ty svorkovnice zachovat
Peugeot 205 1.6 GTI Stennli07 nyní již 84 kw---prodáno
Peugeot 205 1.2 Bella
Fiat Ullyse 1.9 TD žralok na peníze- prodáno
Peugot 306 1.4
http://www.sbazar.cz/bazar-zruc-nad-saz ... 04727.html
http://autodily.wbs.cz/Ůvod.html
Peugeot 205 1.2 Bella
Fiat Ullyse 1.9 TD žralok na peníze- prodáno
Peugot 306 1.4
http://www.sbazar.cz/bazar-zruc-nad-saz ... 04727.html
http://autodily.wbs.cz/Ůvod.html
- vinorak
- odborník

- Příspěvky: 11375
- Registrován: 10 kvě 2007 13:02
- Rok narození: 1986
- Skutečné jméno: Tomas
- tel.:: 0
- Bydliště: Praha
Re: elekrické stahování
no tak sehnat ty origo konektory a na volnou pozici to dát 
- Stennli07
- 205club je můj domov

- Příspěvky: 915
- Registrován: 23 srp 2009 06:12
- Rok narození: 1972
- Skutečné jméno: Standa
- tel.:: 606825547
- Bydliště: Zruč nad Sazavou
- Kontaktovat uživatele:
Re: elekrické stahování
vino ja tam měl napojenou i origo elektriku na kterou byly ta dveře napojeny alel ani si to neškrtlo jako kdyby byla jiná pojstková skřínvinorak píše:no tak sehnat ty origo konektory a na volnou pozici to dát
Peugeot 205 1.6 GTI Stennli07 nyní již 84 kw---prodáno
Peugeot 205 1.2 Bella
Fiat Ullyse 1.9 TD žralok na peníze- prodáno
Peugot 306 1.4
http://www.sbazar.cz/bazar-zruc-nad-saz ... 04727.html
http://autodily.wbs.cz/Ůvod.html
Peugeot 205 1.2 Bella
Fiat Ullyse 1.9 TD žralok na peníze- prodáno
Peugot 306 1.4
http://www.sbazar.cz/bazar-zruc-nad-saz ... 04727.html
http://autodily.wbs.cz/Ůvod.html
- draken
- Club admin

- Příspěvky: 7972
- Registrován: 12 črc 2009 18:21
- Rok narození: 1991
- Skutečné jméno: Honza
- tel.:: 732440821
- Bydliště: Hr. Králové, Nový Bydžov
Re: elekrické stahování
no tak jestli ti de řidičova strana, tak už bude jenom na tý spolujezdcově detail dodělat tam plus spínanej klíčkem
- Stennli07
- 205club je můj domov

- Příspěvky: 915
- Registrován: 23 srp 2009 06:12
- Rok narození: 1972
- Skutečné jméno: Standa
- tel.:: 606825547
- Bydliště: Zruč nad Sazavou
- Kontaktovat uživatele:
Re: elekrické stahování
no budu muset měřit a měřit jinak plánek si vytisknu
Peugeot 205 1.6 GTI Stennli07 nyní již 84 kw---prodáno
Peugeot 205 1.2 Bella
Fiat Ullyse 1.9 TD žralok na peníze- prodáno
Peugot 306 1.4
http://www.sbazar.cz/bazar-zruc-nad-saz ... 04727.html
http://autodily.wbs.cz/Ůvod.html
Peugeot 205 1.2 Bella
Fiat Ullyse 1.9 TD žralok na peníze- prodáno
Peugot 306 1.4
http://www.sbazar.cz/bazar-zruc-nad-saz ... 04727.html
http://autodily.wbs.cz/Ůvod.html
- Stennli07
- 205club je můj domov

- Příspěvky: 915
- Registrován: 23 srp 2009 06:12
- Rok narození: 1972
- Skutečné jméno: Standa
- tel.:: 606825547
- Bydliště: Zruč nad Sazavou
- Kontaktovat uživatele:
Re: elekrické stahování
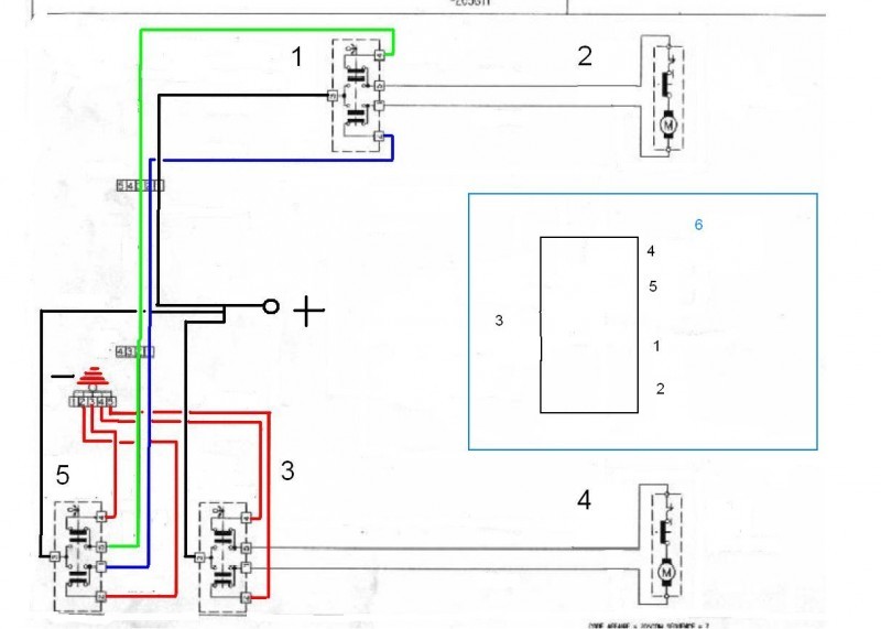
Takže bych rád poděkoval za pomoc a planek.Celá sradna byla v tom že v pojstkový skřínce jemodrý konaktor do kterého vedly dva dráty(hnědý) z toho jeden dvojdrát(bílý a fialový).Protože auto ofíco el.okna nemělo ale rozvod už tam je je nutné prohodit tyto dráty pokud do toho dvojdrátu nejde plus jako bylo v našem případě. Jelikož jsme tady mluvili o kulatých konektorech tak jsem zjištoval co kde je na který pozici je je to i na centrál takže rozvod ve dveřích je na repro,centrál a okna v el. vše jsem zakreslil do náčrtu vpohledu z čela a jedná se o umístění drátu ve dveřním rizvodu spolujezdce a řidiče.
PS: v červeném rámečku je čistě centrál u řidiče
PS: v červeném rámečku je čistě centrál u řidiče
- Přílohy
-
- kontakty1.jpg (26.37 KiB) Zobrazeno 2903 x
Peugeot 205 1.6 GTI Stennli07 nyní již 84 kw---prodáno
Peugeot 205 1.2 Bella
Fiat Ullyse 1.9 TD žralok na peníze- prodáno
Peugot 306 1.4
http://www.sbazar.cz/bazar-zruc-nad-saz ... 04727.html
http://autodily.wbs.cz/Ůvod.html
Peugeot 205 1.2 Bella
Fiat Ullyse 1.9 TD žralok na peníze- prodáno
Peugot 306 1.4
http://www.sbazar.cz/bazar-zruc-nad-saz ... 04727.html
http://autodily.wbs.cz/Ůvod.html
