pomoc prosim
-
Orrllando
- Uživatel

- Příspěvky: 136
- Registrován: 04 bře 2011 20:03
- Rok narození: 1992
- Skutečné jméno: Ondra Malek
- Bydliště: Litoměřice
- Kontaktovat uživatele:
pomoc prosim
zdravim mel sem v autě starý tip palubní desky jeste s šoupacím ovládáním topení sehnal jsem novou i s topením jenže problém u starýho byl kabel s 3 pinovou zástrčkou a 2 pinovou mam tušení ze ta je k osvelení toho paneu a u toho novýho je s 5 pinovou nevim co mam jak zapojit kdyz vindám kabely s tech svorek má s tim nekdo zkušenost ?
- draken
- Club admin

- Příspěvky: 7972
- Registrován: 12 črc 2009 18:21
- Rok narození: 1991
- Skutečné jméno: Honza
- tel.:: 732440821
- Bydliště: Hr. Králové, Nový Bydžov
Re: pomoc prosim
no tady je problém v tom, že to starý topení je úplně jinak zapojený než to nový, takže ti nezbejvá nic jinýho než vzít schema a podle toho zapojit to nový topení a nebo sehnat komplet elektriku z novýho modelu (včetně motorovýho svazku a pojistkovky) a přeházet svazky, to si myslim bude rychlejší a spolehlivější
-
Orrllando
- Uživatel

- Příspěvky: 136
- Registrován: 04 bře 2011 20:03
- Rok narození: 1992
- Skutečné jméno: Ondra Malek
- Bydliště: Litoměřice
- Kontaktovat uživatele:
Re: pomoc prosim
jenez takovou možnost nemam je jasný ze na dmychadle topení se nic nemení tam t bude stejný a v reguatoru taky ne tam to pasovalo ted de o kabely k potenciometru u starýho je to na 3 a osvetelní an 2 a na a u novýho už jeto 5 kabelu v jednom konektoru na jak k tomu potencimetru tak na to osvetení přeci to tu uz nekdo dělal prosím pomozte
- draken
- Club admin

- Příspěvky: 7972
- Registrován: 12 črc 2009 18:21
- Rok narození: 1991
- Skutečné jméno: Honza
- tel.:: 732440821
- Bydliště: Hr. Králové, Nový Bydžov
Re: pomoc prosim
tak to máš už novější typ elektriky ve starý palubce. chvíly počkej, já skusim najít schema
- draken
- Club admin

- Příspěvky: 7972
- Registrován: 12 črc 2009 18:21
- Rok narození: 1991
- Skutečné jméno: Honza
- tel.:: 732440821
- Bydliště: Hr. Králové, Nový Bydžov
Re: pomoc prosim
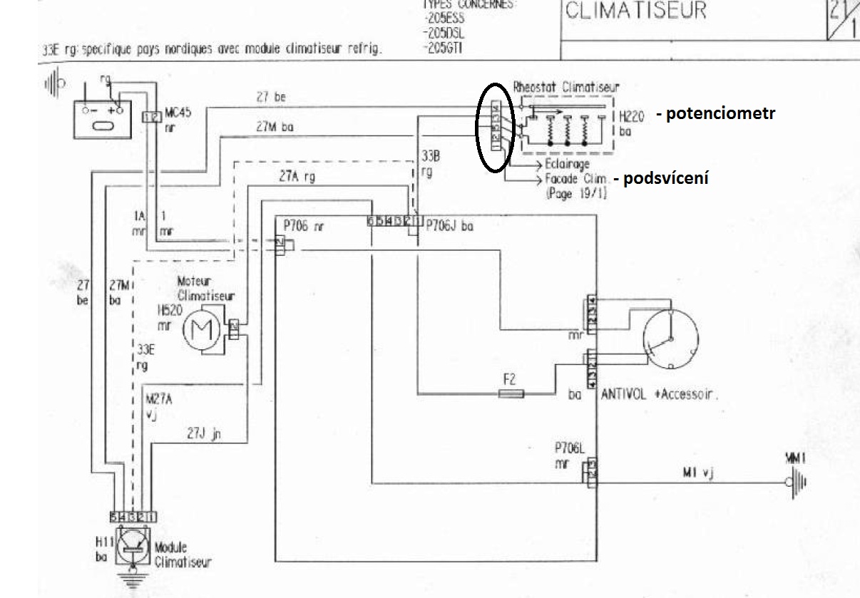
tady je schema novýho topení. stačí skombinovat ty dva konektory do jednoho. snad ti to pomůže
-
Orrllando
- Uživatel

- Příspěvky: 136
- Registrován: 04 bře 2011 20:03
- Rok narození: 1992
- Skutečné jméno: Ondra Malek
- Bydliště: Litoměřice
- Kontaktovat uživatele:
Re: pomoc prosim
no jasny a ted jak to skombinovat ? je tma modrej bíej zelenožlutej kabel a v ty dvoj zastrčce na osvetení je červenej a žlutej
- draken
- Club admin

- Příspěvky: 7972
- Registrován: 12 črc 2009 18:21
- Rok narození: 1991
- Skutečné jméno: Honza
- tel.:: 732440821
- Bydliště: Hr. Králové, Nový Bydžov
Re: pomoc prosim
podle barev nezjistim nic, ale vem zkoušečku a zapoj na pozici 3 klíčový + 12V pak na 5 a 4 ty dva kable od tranzistoru a na pozici 2 + osvětlení a na pozici jedna mínus
-
Orrllando
- Uživatel

- Příspěvky: 136
- Registrován: 04 bře 2011 20:03
- Rok narození: 1992
- Skutečné jméno: Ondra Malek
- Bydliště: Litoměřice
- Kontaktovat uživatele:
Re: pomoc prosim
to je to co prave nevim co je klíčovej ? ten modrej má jakoby dva kabely fakt nevim co ted
- draken
- Club admin

- Příspěvky: 7972
- Registrován: 12 črc 2009 18:21
- Rok narození: 1991
- Skutečné jméno: Honza
- tel.:: 732440821
- Bydliště: Hr. Králové, Nový Bydžov
Re: pomoc prosim
klíčový + změříš zkoušečkou. dyžtak nahoď fotky tech konektorů
-
Orrllando
- Uživatel

- Příspěvky: 136
- Registrován: 04 bře 2011 20:03
- Rok narození: 1992
- Skutečné jméno: Ondra Malek
- Bydliště: Litoměřice
- Kontaktovat uživatele:
Re: pomoc prosim
kde si sehnal to schema potřebova bych jeste schema toho starýho zapojení toho tří a dvou konektorovýho
- draken
- Club admin

- Příspěvky: 7972
- Registrován: 12 črc 2009 18:21
- Rok narození: 1991
- Skutečné jméno: Honza
- tel.:: 732440821
- Bydliště: Hr. Králové, Nový Bydžov
Re: pomoc prosim
tohle schema sem dával vinorak z nějakého fr. fóra, ale nevim jestli je i schema na starej model. Tady nemáš co zkazit. do toho tranzistoru vedou dva kable. máš jen dva pokusy na zapojení a buď to chodit bude nebo ne. a ostatní kabely poznáš zkoušečkou