mlhovky

Vše co se týka problémů a zapojení elektriky, el. obvodů, vnitřní el. výbavy apod.
Uživatelský avatar
Dlavka
205club je můj domov
205club je můj domov
Příspěvky: 994
Registrován: 24 bře 2011 20:46
Rok narození: 1993
Skutečné jméno: David
Bydliště: Zašová
Kontaktovat uživatele:

mlhovky

Příspěvek od Dlavka »

Hosi daval sem kamosovi jestli by mi nezapojil mlhovky predni. Dal sem mu vsecko potrebne jako relatko a tak a on vsecko zapojil tak jak sem chtel podle toho Hojanoveho schematka, akorat ze mi do auta protahl jen kabel od + co vede z toho relatka a ten je u toho spinace rozcvaknuty a pichnuty na jeden a jeden konektor na spinaci. No a tudis ja muzu zapnout mlhovky kdykoliv chci. Ono by mi to az tak nevadilo kdybych todkaj nedojel ke skole a kdybych mi kamos nerekl ze mi sviti auto tak bych po skole nenastartoval :fran: .. Da se to ted nejak zbastlit jeste?? Ze bych doplnil jen nejaky kabel??

A nebo ja moc nerozumim tomu kde bych to popripade mel napichnout na ty svetla. Rekli by ste mi prosim co mam vest za kabely od relatka do kabiny?? A kde a na co to v kabine zapojit aby mi to slo jen se zapnutymi svetlami??

Dikes :)
Uživatelský avatar
ZdenekPaul
Stálý inventář 205clubu
Stálý inventář 205clubu
Příspěvky: 1268
Registrován: 04 dub 2011 21:05
Rok narození: 1991
Skutečné jméno: Z. Paul
Bydliště: Most

Re: mlhovky

Příspěvek od ZdenekPaul »

Peugeot 205 1.9 Diesel -> 1.8 Diesel
EX:
Peugeot 205 1.4 - byl na díly, posloužil mnoha lidem a může být na sebe pyšný
Uživatelský avatar
Dlavka
205club je můj domov
205club je můj domov
Příspěvky: 994
Registrován: 24 bře 2011 20:46
Rok narození: 1993
Skutečné jméno: David
Bydliště: Zašová
Kontaktovat uživatele:

Re: mlhovky

Příspěvek od Dlavka »

No a prave z toho nejsem moc chytry.. Ale me jde konkretne o to primo na ktery drat a kde ho najdu :fran: A hlavne sem ti nechtel zasirat tvoje vlakno kdyz ty na to este taky budes mit nejake dotazy :)
Uživatelský avatar
ZdenekPaul
Stálý inventář 205clubu
Stálý inventář 205clubu
Příspěvky: 1268
Registrován: 04 dub 2011 21:05
Rok narození: 1991
Skutečné jméno: Z. Paul
Bydliště: Most

Re: mlhovky

Příspěvek od ZdenekPaul »

Nebudu :m: čekam na 5 dírovej plast a pak to splácám :up:
Peugeot 205 1.9 Diesel -> 1.8 Diesel
EX:
Peugeot 205 1.4 - byl na díly, posloužil mnoha lidem a může být na sebe pyšný
Uživatelský avatar
Dlavka
205club je můj domov
205club je můj domov
Příspěvky: 994
Registrován: 24 bře 2011 20:46
Rok narození: 1993
Skutečné jméno: David
Bydliště: Zašová
Kontaktovat uživatele:

Re: mlhovky

Příspěvek od Dlavka »

No tak ja uz sem to zplacaval a stalo to uplne zahovno tak ted podruhe a poradne :D
Uživatelský avatar
Dlavka
205club je můj domov
205club je můj domov
Příspěvky: 994
Registrován: 24 bře 2011 20:46
Rok narození: 1993
Skutečné jméno: David
Bydliště: Zašová
Kontaktovat uživatele:

Re: mlhovky

Příspěvek od Dlavka »

no a jeste ja bych chtel dat to tlacitko co mam dole v odkazu, ale musite mi poradit jestli by slo ty mlhy zapojit na ty normalni svetla (jakoze se zapnou jen kdyz svitim) za predpokladu ze pouzijo tohle tlacitko - chtel bych aby taky fungovalo podsiceni toho tlacitka.

www.ezk.cz/e-shop/img/det/spr10rd.jpg
Uživatelský avatar
ZdenekPaul
Stálý inventář 205clubu
Stálý inventář 205clubu
Příspěvky: 1268
Registrován: 04 dub 2011 21:05
Rok narození: 1991
Skutečné jméno: Z. Paul
Bydliště: Most

Re: mlhovky

Příspěvek od ZdenekPaul »

Dlavka píše:no a jeste ja bych chtel dat to tlacitko co mam dole v odkazu, ale musite mi poradit jestli by slo ty mlhy zapojit na ty normalni svetla (jakoze se zapnou jen kdyz svitim) za predpokladu ze pouzijo tohle tlacitko - chtel bych aby taky fungovalo podsiceni toho tlacitka

http://www.ezk.cz/e-shop/img/det/spr10rd.jpg
Mlhy napoj na parkovačky. Tlačítko můžeš napojit třeba na žárovku co je v panelu nebo na hodiny nebo na něco to už je jedno :) ale za mě - radši než tohle tlačítko bych tam dal originální, to mám v plánu já.
Peugeot 205 1.9 Diesel -> 1.8 Diesel
EX:
Peugeot 205 1.4 - byl na díly, posloužil mnoha lidem a může být na sebe pyšný
Uživatelský avatar
Dlavka
205club je můj domov
205club je můj domov
Příspěvky: 994
Registrován: 24 bře 2011 20:46
Rok narození: 1993
Skutečné jméno: David
Bydliště: Zašová
Kontaktovat uživatele:

Re: mlhovky

Příspěvek od Dlavka »

No ale ja sem se rozhodl pro tohle tlacitko:) no a rad bych kdyby mi nekdo rekl na ktere kabely primo :) a jeste sibmyslel u motoru na drat od svetel nebo kde??
Uživatelský avatar
vinorak
odborník
odborník
Příspěvky: 11375
Registrován: 10 kvě 2007 13:02
Rok narození: 1986
Skutečné jméno: Tomas
tel.:: 0
Bydliště: Praha

Re: mlhovky

Příspěvek od vinorak »

Tak treba od páčky světel.
Peugeot 205 1.9 Gti Griffe Obrázek

Citroen c2 1.4 hdi
Uživatelský avatar
Dlavka
205club je můj domov
205club je můj domov
Příspěvky: 994
Registrován: 24 bře 2011 20:46
Rok narození: 1993
Skutečné jméno: David
Bydliště: Zašová
Kontaktovat uživatele:

Re: mlhovky

Příspěvek od Dlavka »

No ale ja bych potreboval presne vedet ktery drat mam kam vest. A taky ktery presne ten drat musim napojit u te packy.

A myslis ze mi bude u toho tlacitka cerveneho fungovat podsviceni??
Uživatelský avatar
Dlavka
205club je můj domov
205club je můj domov
Příspěvky: 994
Registrován: 24 bře 2011 20:46
Rok narození: 1993
Skutečné jméno: David
Bydliště: Zašová
Kontaktovat uživatele:

Re: mlhovky

Příspěvek od Dlavka »

:myslim:
Uživatelský avatar
lukas309
309kář
309kář
Příspěvky: 2460
Registrován: 12 dub 2010 17:21
Rok narození: 1988
tel.:: 776695572

Re: mlhovky

Příspěvek od lukas309 »

Podsvícení fungovat bude, brácha má na mlhovky zelený.

Jinak zapojení by mělo být u toho tlačítka takže musíš podle toho to potom přizpůsobit.
Uživatelský avatar
Dlavka
205club je můj domov
205club je můj domov
Příspěvky: 994
Registrován: 24 bře 2011 20:46
Rok narození: 1993
Skutečné jméno: David
Bydliště: Zašová
Kontaktovat uživatele:

Re: mlhovky

Příspěvek od Dlavka »

No me nejde o to co mam zapojovat do toho tlacitka ale co mam z kama vezt :D Takhle k relatku to v motoru mam udelane (kostry atd) ted uz mi jen chybi ta cast co se kde taha v aute :)
Uživatelský avatar
Dlavka
205club je můj domov
205club je můj domov
Příspěvky: 994
Registrován: 24 bře 2011 20:46
Rok narození: 1993
Skutečné jméno: David
Bydliště: Zašová
Kontaktovat uživatele:

Re: mlhovky

Příspěvek od Dlavka »

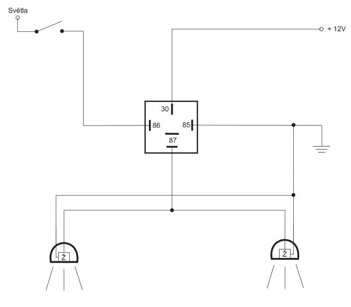
Takze vse mam zapojene. ALE :fran:

Ridil jsem se obrázkem od Hoj@na a uz mi chybi zapojit jen ta žíla co vede z 86ky. Reknete mi na který kabel ho muzu zapojit u svetla v motoru. Chci to zapojit tam protoze aspon vyuziju ty kable co byly vedeny z minule montaze - timpadem je to pro me jednodussi nez to hledat v tom kocourkove pod palubovkou :D

Obrázek:

http://forum.205gti.org/download/file.php?id=8282
Uživatelský avatar
vinorak
odborník
odborník
Příspěvky: 11375
Registrován: 10 kvě 2007 13:02
Rok narození: 1986
Skutečné jméno: Tomas
tel.:: 0
Bydliště: Praha

Re: mlhovky

Příspěvek od vinorak »

no tak na konektor k parkovačce, jeden drát je kostra a druhej to plus co hledáš
Peugeot 205 1.9 Gti Griffe Obrázek

Citroen c2 1.4 hdi
Odpovědět