Těsnění vývodu posilovače brzd
- 309Fun
- 309kář

- Příspěvky: 468
- Registrován: 24 kvě 2009 12:22
- Skutečné jméno: Michal
- tel.:: 0
- Bydliště: Ashburton/Liberecko
Těsnění vývodu posilovače brzd
Koupím těsnění na podtlak,nezpuchřelý,v dobrym stavu
- Přílohy
-
- seal.jpg (146.1 KiB) Zobrazeno 3374 x
Peugeot 309 GTI16
One of 5895 pieces
Peugeot 205 CTI
Sold
One of 5895 pieces
Peugeot 205 CTI
Sold
Re: Těsnění vývodu posilovače brzd
Mrknu se ti po tom na maloobsahovém posilovači. Kdyžtak změřím i díru aby jsi věděl jestli je to stejný. Omrknu stav a o víkendu ti dám vědět.
-
NOVON
- Aktivní uživatel

- Příspěvky: 334
- Registrován: 22 lis 2011 07:48
- Rok narození: 1979
- Bydliště: Kopřivnice
Re: Těsnění vývodu posilovače brzd
309Fun: Nepásne tam z fáčka apod?? Jinak myslím,že i v Peugeotu to nebude stát hodně...
P 205,1.9D,DJZ - pracovní povoz
AUDI 80 Avant
- srdeční záležitost
MECHANICKÉ A KAROSÁŘSKÉ OPRAVY AUTOMOBILŮ..
AUDI 80 Avant
- srdeční záležitost
MECHANICKÉ A KAROSÁŘSKÉ OPRAVY AUTOMOBILŮ..
- vinorak
- odborník

- Příspěvky: 11375
- Registrován: 10 kvě 2007 13:02
- Rok narození: 1986
- Skutečné jméno: Tomas
- tel.:: 0
- Bydliště: Praha
Re: Těsnění vývodu posilovače brzd
v peugeotu to nemaj. je to pro ně součást posilovače 
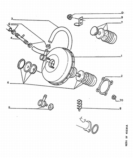
Re: Těsnění vývodu posilovače brzd
Není to náhodou číslo 5?
- Přílohy
-
- posilovac.jpg (53.27 KiB) Zobrazeno 3286 x
- vinorak
- odborník

- Příspěvky: 11375
- Registrován: 10 kvě 2007 13:02
- Rok narození: 1986
- Skutečné jméno: Tomas
- tel.:: 0
- Bydliště: Praha
Re: Těsnění vývodu posilovače brzd
jo to bude ono, měl jsem nějakej jinej obrázek 
Re: Těsnění vývodu posilovače brzd
Tak celá ta sranda stojí něco málo přes 700 :-) ale objednat se to dá
4599 15 Bendix nebo Bosch
4599 25 Teves
4599 15 Bendix nebo Bosch
4599 25 Teves
- 309Fun
- 309kář

- Příspěvky: 468
- Registrován: 24 kvě 2009 12:22
- Skutečné jméno: Michal
- tel.:: 0
- Bydliště: Ashburton/Liberecko
Re: Těsnění vývodu posilovače brzd
Sakra,za kousel gumy se mi 700 dávat nechce,radši bych kdyby jsi to Lukáši někde našel
Každopádně dík za vyhledáni v SB 
Peugeot 309 GTI16
One of 5895 pieces
Peugeot 205 CTI
Sold
One of 5895 pieces
Peugeot 205 CTI
Sold
Re: Těsnění vývodu posilovače brzd
Vím, že to na tom maloobsahu je a o víkendu to sundám. Co jsem se na to díval tak špatný to není, ale jako nová už taky nevypadá. Ale vyndám jí nafotím a pošlu ti to a rozhodneš se sám.
- 309Fun
- 309kář

- Příspěvky: 468
- Registrován: 24 kvě 2009 12:22
- Skutečné jméno: Michal
- tel.:: 0
- Bydliště: Ashburton/Liberecko
Re: Těsnění vývodu posilovače brzd
ok,dík,večer ještě žměřim půměry
Peugeot 309 GTI16
One of 5895 pieces
Peugeot 205 CTI
Sold
One of 5895 pieces
Peugeot 205 CTI
Sold
