Zdravím
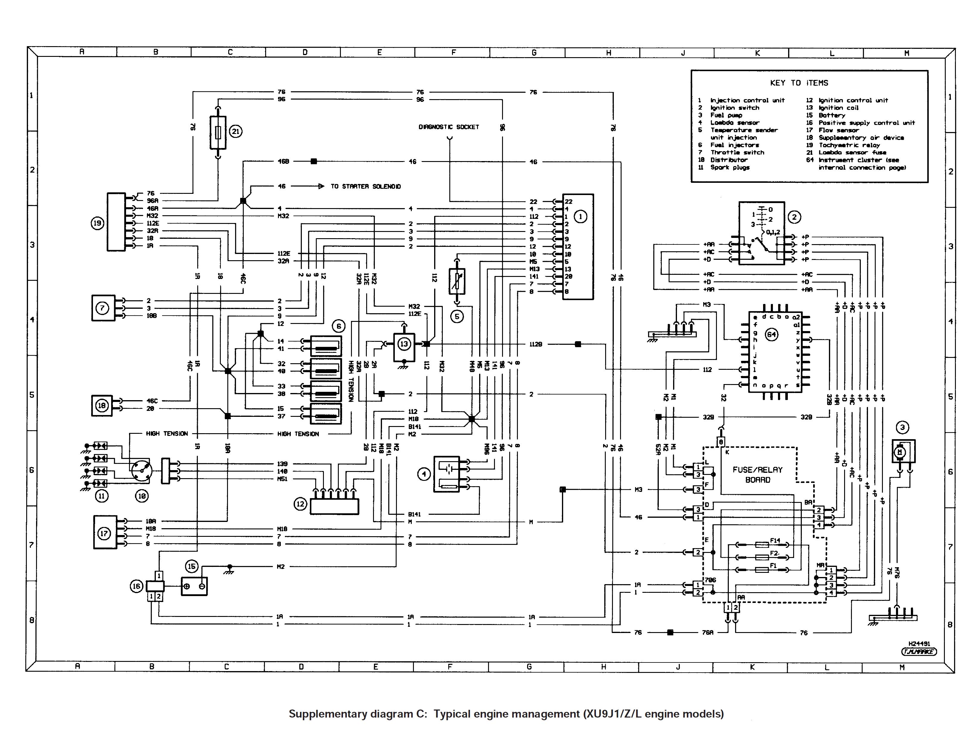
Nemá někdo nějaké schéma vstřikováním? 205 1.9 75kw jetronic..
Děkuji :-)
el.schéma vstřikování 205 1.9 75kw
- vinorak
- odborník

- Příspěvky: 11375
- Registrován: 10 kvě 2007 13:02
- Rok narození: 1986
- Skutečné jméno: Tomas
- tel.:: 0
- Bydliště: Praha
Re: el.schéma vstřikování 205 1.9 75kw
hledej, už jsem to sem dával já nebo draken... 
-
mika.haki
- Nováček

- Příspěvky: 40
- Registrován: 06 říj 2013 11:21
- Rok narození: 1993
- Skutečné jméno: Milan
- Bydliště: Bzenec
Re: el.schéma vstřikování 205 1.9 75kw
hledal a nenašel
bylo tady z 1.6 jetronic ale nevím jestli je to stejné ...
- draken
- Club admin

- Příspěvky: 7972
- Registrován: 12 črc 2009 18:21
- Rok narození: 1991
- Skutečné jméno: Honza
- tel.:: 732440821
- Bydliště: Hr. Králové, Nový Bydžov
Re: el.schéma vstřikování 205 1.9 75kw
a 1.6 je stejná
-
mika.haki
- Nováček

- Příspěvky: 40
- Registrován: 06 říj 2013 11:21
- Rok narození: 1993
- Skutečné jméno: Milan
- Bydliště: Bzenec
Re: el.schéma vstřikování 205 1.9 75kw
děkuju pánové 
