nevíte někdo kde jsou originál zapojený přídavný dálky??? a kde najdu spínač couvačky???
děkuji za odpovědi
přídavný dálky a couvačka
- Thyoridas
- Stálý inventář 205clubu

- Příspěvky: 1422
- Registrován: 02 kvě 2009 14:49
- Rok narození: 1989
- tel.:: 721384196
- Bydliště: Vlčnov u Uherského Hradiště
- Kontaktovat uživatele:
Re: přídavný dálky a couvačka
spinac na zpateckove svetlo je na horni strane prevodovky pobliz tahla spojky, snad je to u vsech typu stejne ... 
Býlí Pežó "tů ou fajv, van pojnt najn, dží tý áj / ár ár"
- PRODÁNO
BMW E46 328i sedan - budouci drift machine ;)
BMW E46 328i sedan - budouci drift machine ;)
- Petronel5550
- Aktivní uživatel

- Příspěvky: 420
- Registrován: 24 úno 2009 14:56
- Rok narození: 0007
- Skutečné jméno: Jenda
- tel.:: 733662996
- Bydliště: Kojice,Nemira
- Kontaktovat uživatele:
Re: přídavný dálky a couvačka
jj,taky sem se v tom hrabal je to jak říká Thyoridas..Jestli je to u všech typů stejný nevím já to takhle měl u 1.1-čky
Peugeot 307 HDi X-line
Yamaha Neo's Stage 6
VW-Passat B6 TDI Highline
Yamaha Neo's Stage 6
VW-Passat B6 TDI Highline
- vinorak
- odborník

- Příspěvky: 11375
- Registrován: 10 kvě 2007 13:02
- Rok narození: 1986
- Skutečné jméno: Tomas
- tel.:: 0
- Bydliště: Praha
Re: přídavný dálky a couvačka
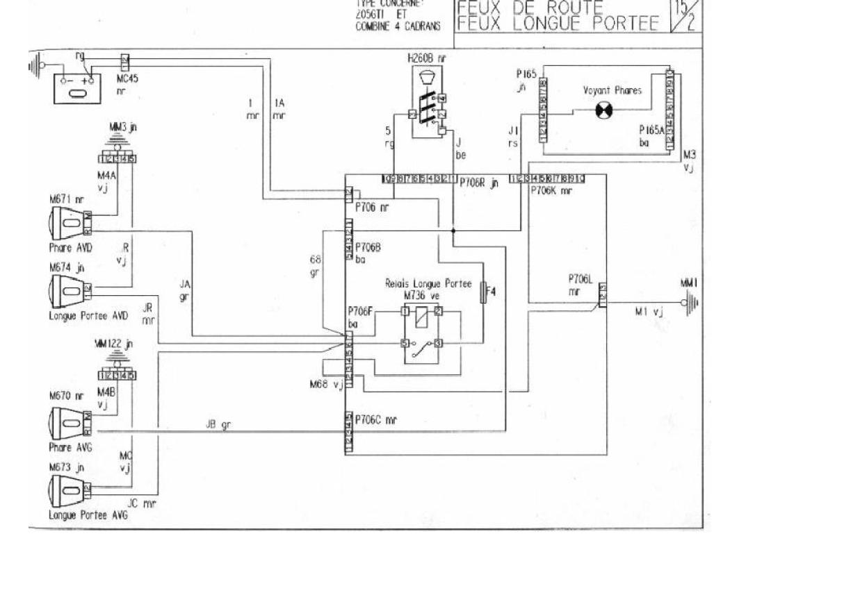
tak origo to je zapojený takhle.
Pojistka na 4 pozici a spínací relé na 1
no a plus ke světlum jde z konektoru 706F ze 6 pozice
Pojistka na 4 pozici a spínací relé na 1
no a plus ke světlum jde z konektoru 706F ze 6 pozice
- draken
- Club admin

- Příspěvky: 7972
- Registrován: 12 črc 2009 18:21
- Rok narození: 1991
- Skutečné jméno: Honza
- tel.:: 732440821
- Bydliště: Hr. Králové, Nový Bydžov
Re: přídavný dálky a couvačka
díky za rady 
- draken
- Club admin

- Příspěvky: 7972
- Registrován: 12 črc 2009 18:21
- Rok narození: 1991
- Skutečné jméno: Honza
- tel.:: 732440821
- Bydliště: Hr. Králové, Nový Bydžov
Re: přídavný dálky a couvačka
tak sem to dneska skoušel a dal sem pojistku na pozici 4 a když sem dal relé na pozici jedna a zapnul dálky, tak relé nezapne ani na pinu 6 v tom konektoru není napětí, nevim, jestli to třeba nemá diesel jinak ale bádal sem nad tím asi hodinu a asi bude nejjednodužší to relé napojit přímo k přepínači
- vinorak
- odborník

- Příspěvky: 11375
- Registrován: 10 kvě 2007 13:02
- Rok narození: 1986
- Skutečné jméno: Tomas
- tel.:: 0
- Bydliště: Praha
Re: přídavný dálky a couvačka
no spíš je možný, že tam chybí ještě nějakej drát v kabelovym svazku
Tak to udělěj jako já. Za baterkou sem se napích na drát k dálkovýmu světlu, natáh plus od baterky přez vlastní pojistku a přidělal sem tam relátko 
- draken
- Club admin

- Příspěvky: 7972
- Registrován: 12 črc 2009 18:21
- Rok narození: 1991
- Skutečné jméno: Honza
- tel.:: 732440821
- Bydliště: Hr. Králové, Nový Bydžov
Re: přídavný dálky a couvačka
to je taky řešení - vyjde to nastejno jako s tou páčkou
