startuje a nejede

Vše co se týka problémů a zapojení elektriky, el. obvodů, vnitřní el. výbavy apod.
Odpovědět
martin1379
Nováček
Nováček
Příspěvky: 7
Registrován: 26 říj 2009 20:48
tel.:: 0

startuje a nejede

Příspěvek od martin1379 »

nazdar lidi mam problem autem mam peugeot 30 1.1 44kw rok 1991 na 205 je stejny motor a vše skoro startet toči ale nechytne to civku jsem skoušel měnit na rozdělovači tu destičku boch taky jiskru to hazi na svičkach benzin čerpadlo funguje tak kde muže byt problem ješte jsem skoušel přehodit vstřikovani nepomohlo skoušel jsem měřit v konektoru jestly tam jde proud do vstřikovani při zapnutem kliči na 2polohu a nešel tam mohlo byto byt ono kde muže byt zavada dik za odpověd
Přílohy
DSC03793.JPG
Uživatelský avatar
vinorak
odborník
odborník
Příspěvky: 11375
Registrován: 10 kvě 2007 13:02
Rok narození: 1986
Skutečné jméno: Tomas
tel.:: 0
Bydliště: Praha

Re: startuje a nejede

Příspěvek od vinorak »

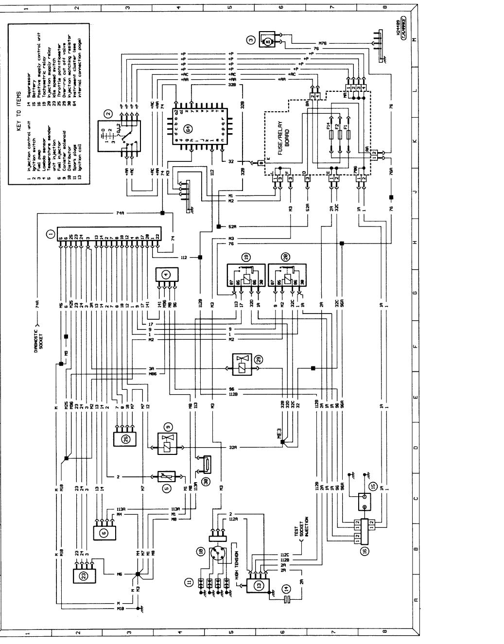
tady máš schéma ;-) podival bych se na pojisky, relátka a nakonec ti asi zbyde jenom proměřovat dráty do konektoru k řídící jednotce :myslim: zkus jestli ti jdou vyblikat závady klíčkem ;-)
Přílohy
aaaaaa.JPG
Peugeot 205 1.9 Gti Griffe Obrázek

Citroen c2 1.4 hdi
martin1379
Nováček
Nováček
Příspěvky: 7
Registrován: 26 říj 2009 20:48
tel.:: 0

Re: startuje a nejede

Příspěvek od martin1379 »

tak jsem to skoušel žadny proud tam nejde takže jedině vyskoušet kabely nic jineho my nezbyde
martin1379
Nováček
Nováček
Příspěvky: 7
Registrován: 26 říj 2009 20:48
tel.:: 0

Re: startuje a nejede

Příspěvek od martin1379 »

tak už jsem to nastartoval sice až s nohou na plynu ale přece projel jsem zahřal jsem to žadne cukani nic akorat vysoke otačky ale po delši jizdě se daly do normalu všimnul jsemsi žemy skakala ručička na teplotu při přeřazeni ale dal žeby to dělalo to sem neviděl ,necham to vychladnout a uvidim jestly to natočim jak ne tak je problem ale kde? necham se překvapit
Uživatelský avatar
vinorak
odborník
odborník
Příspěvky: 11375
Registrován: 10 kvě 2007 13:02
Rok narození: 1986
Skutečné jméno: Tomas
tel.:: 0
Bydliště: Praha

Re: startuje a nejede

Příspěvek od vinorak »

nějakej zoxidovanej drát, nebo kostra na motoru :myslim: prostě klasická záhada :smich:
Peugeot 205 1.9 Gti Griffe Obrázek

Citroen c2 1.4 hdi
martin1379
Nováček
Nováček
Příspěvky: 7
Registrován: 26 říj 2009 20:48
tel.:: 0

Re: startuje a nejede

Příspěvek od martin1379 »

to uvidimm tak za 1-2 hodky jak to vychladne ale budu muset nalit do benzinu nevim přesně jakseto jmenuje adetivum nebo tak nějak na vytlačeni vody kdo vy kolik je ji tam
Uživatelský avatar
Mitja
Stálý inventář 205clubu
Stálý inventář 205clubu
Příspěvky: 4659
Registrován: 27 lis 2007 19:05
Rok narození: 1986
Skutečné jméno: Ondra
tel.:: 0
Bydliště: Studénka-Butovice
Kontaktovat uživatele:

Re: startuje a nejede

Příspěvek od Mitja »

Ja preventivne cistil konektor za levym prednim svetlem.. jde tama asi nejake napeti pro vstriky, protoze po odpojeni to nestartovalo : ). Tak ho zkus poradne vycistit, mi z toho dokonce jeden drat samovolne upadl, tak sem ho premostil ;-).

Jinak bych mrknul na rele palivoveho cerpadla (vedle ridici jednotky v prihradce spolujezdce nebo v motorovem prostoru u brzdoveho valce), taky se ti muze zdat ze tlakuje dobre.. ale neni to tak. To se mi uz taky stalo - rele cvakalo, cerpadlo tlacilo... ale proste to relatko vynechavalo a starty trvaly dost dlouho a za pomale jizdy to pak pocukavalo. V neposledni rade zkus poradne nabit baterku. A preventivne vymen svicky, kdyztak mrkni i na kabely a rodelovac.. sice pises, ze ti hazou jiskru, ale mi taky hazely jiskru na vzduchu a pod tlakem ne.
---------------------------------------------------------------------------------------------------------------
Peugeot 205, 1.1i (44kw), color line, '91 - na vikendy
Renault Megane II sedan, 1.4 16V (72kw), sportway, '09 - hlavni auto
Peugeot 306 sedan, 1.6i (65kw), '95 - na dojezdeni
CPI Popcorn, 50 ccm, '03 - ceka na opravu
Škoda Fabia II 1.4 TDI (59kw), '06 - prace/Misa
martin1379
Nováček
Nováček
Příspěvky: 7
Registrován: 26 říj 2009 20:48
tel.:: 0

Re: startuje a nejede

Příspěvek od martin1379 »

mrknu naty kontakty u světel koupim i sprej na kontakty vystřikam je fakt že semse dival na kontakty u čerpadla pod sedačkama po odělani te platove krytky zděšeni prach asi od te doby coto auto jezdi ale hodně prachu relatka jsem skoušel ty cvakaly musim trochu investovat do novych dilu.tak jsem skusil nastartovat a v pohodě vše jak ma byt ne vite jestly na teto strance jsou nove dily nebo použite :http://www.tav-autoverwertung.de/autote ... 7806d33eb6

a nebo někdo vyte kolem opavy nebo ostravy na dobry vrakač našel jsem v ostravě přivozu autokřenek dalši nevim na nějake dily
martin1379
Nováček
Nováček
Příspěvky: 7
Registrován: 26 říj 2009 20:48
tel.:: 0

Re: startuje a nejede

Příspěvek od martin1379 »

Uživatelský avatar
Mitja
Stálý inventář 205clubu
Stálý inventář 205clubu
Příspěvky: 4659
Registrován: 27 lis 2007 19:05
Rok narození: 1986
Skutečné jméno: Ondra
tel.:: 0
Bydliště: Studénka-Butovice
Kontaktovat uživatele:

Re: startuje a nejede

Příspěvek od Mitja »

Pokud chces dily, napis si inzerat do bazaru.. hooooodne lidi je tady ma a prodava ;-). Jinak super, ze konecne nekdo z okoli :-), z kama presne si? A vrakac, kde meli vzdycky vsechno, je v Klimkovicich.. ale maji tam vysoke ceny a nejsou moc prijemni : /.
---------------------------------------------------------------------------------------------------------------
Peugeot 205, 1.1i (44kw), color line, '91 - na vikendy
Renault Megane II sedan, 1.4 16V (72kw), sportway, '09 - hlavni auto
Peugeot 306 sedan, 1.6i (65kw), '95 - na dojezdeni
CPI Popcorn, 50 ccm, '03 - ceka na opravu
Škoda Fabia II 1.4 TDI (59kw), '06 - prace/Misa
martin1379
Nováček
Nováček
Příspěvky: 7
Registrován: 26 říj 2009 20:48
tel.:: 0

Re: startuje a nejede

Příspěvek od martin1379 »

jo tam se zajedu mrknout do klimkovic jsem kousiček od bruntálu takže do ostravy trochu s ruky ale toje otazka par kilometru
Uživatelský avatar
Mitja
Stálý inventář 205clubu
Stálý inventář 205clubu
Příspěvky: 4659
Registrován: 27 lis 2007 19:05
Rok narození: 1986
Skutečné jméno: Ondra
tel.:: 0
Bydliště: Studénka-Butovice
Kontaktovat uživatele:

Re: startuje a nejede

Příspěvek od Mitja »

martin1379 píše:jo tam se zajedu mrknout do klimkovic jsem kousiček od bruntálu takže do ostravy trochu s ruky ale toje otazka par kilometru
Tady mas info: http://www.avizo.cz/katalog-sekce/firma ... viste.html

Nez tady pojedes, muzes dat vedet a kdyz budu doma, rad zkouknu tvoje auti : ). Bydlim hned vedle Klimkovic, v Polance.
---------------------------------------------------------------------------------------------------------------
Peugeot 205, 1.1i (44kw), color line, '91 - na vikendy
Renault Megane II sedan, 1.4 16V (72kw), sportway, '09 - hlavni auto
Peugeot 306 sedan, 1.6i (65kw), '95 - na dojezdeni
CPI Popcorn, 50 ccm, '03 - ceka na opravu
Škoda Fabia II 1.4 TDI (59kw), '06 - prace/Misa
Underlamp
Nováček
Nováček
Příspěvky: 1
Registrován: 03 čer 2008 22:45

Re: startuje a nejede

Příspěvek od Underlamp »

A v čem byl nakonec problém? Přišel si na to? Teď o víkendu se mi na Garrosu stalo to samé, zkusil sem už skoro vše, točí jak divej, ale nenaskočí. Pojistky vlevo pod volantem i u baterky zkontrolovány. Svíčky, kabely, rozdělovač i palec ok, jiskru to dává. Ale...svíčky smrděj a sou suchý-nejde tam palivo...když ho trochu naleju do sání tak na chvili bakne. Relé od paliv.čerpadla cvaká a tlačí, zkusil sem zaměnit jak ten krokovej motorek co drží volnoběh tak celej vstrikovač. Všecko sem vyčistil. Cívka je v pořádku. Po cvaknutí přes ten konektor (2. a 3. pin) na fotce výše na tvrdo na baterku rozprášil tak jak měl. Tady chyba není tzn. snad už jen zbývá cesta směrem od toho konektoru k řídící jednotce...tam musí být nějakej shit. A ještě ten u levýho světla nebo kdeže jste to psali zkouknu. Každopádně ještě chvíli se v tom budu rýpat a asi mě vomejou :zin: :D díky moc za odpověď...
Odpovědět