Nightfire II - 1.4 1998
Re: Aloushův Nightfire II - 1.4 1998
Vino, jeden bod za grammar nazi 
Peugeot 205 CTI 75kW 1993 - červená leštěnka
Škoda Fabia Combi 2.0 MPI 85kW 2007 - černá krasavice z Rajchu
ex:
Škoda Forman 1.3 40kW 1994 - pro nedostatek času prodán do muzea v Třinci u dealera Karireal - čeká ho druhý život
Škoda Fabia Combi 1.9 SDI 47kW 2003 - ve 440t km sešrotována u Milaty v Dobré, sloužila spolehlivě až do konce
Škoda Fabia Combi 2.0 MPI 85kW 2007 - černá krasavice z Rajchu
ex:
Škoda Forman 1.3 40kW 1994 - pro nedostatek času prodán do muzea v Třinci u dealera Karireal - čeká ho druhý život
Škoda Fabia Combi 1.9 SDI 47kW 2003 - ve 440t km sešrotována u Milaty v Dobré, sloužila spolehlivě až do konce
- vinorak
- odborník

- Příspěvky: 11375
- Registrován: 10 kvě 2007 13:02
- Rok narození: 1986
- Skutečné jméno: Tomas
- tel.:: 0
- Bydliště: Praha
Re: Aloushův Nightfire II - 1.4 1998
- Dlavka
- 205club je můj domov

- Příspěvky: 994
- Registrován: 24 bře 2011 20:46
- Rok narození: 1993
- Skutečné jméno: David
- Bydliště: Zašová
- Kontaktovat uživatele:
Re: Aloushův Nightfire II - 1.4 1998
Předem se omlouvám, že budu
, ale vy čecháčci by ste si měli prvně zamést před svými prahy.. Radši budu číst, že někomu nejde v autě odstřikovat, než vidět jak polovině čecháčkům tady neříká absolutně nic, nějaké i/y ve slovech..
ale samozřejmě nechci plnit funkci prudiče, na to tady máme jiné specialisty..

Re: Aloushův Nightfire II - 1.4 1998
Peugeot 205 CTI 75kW 1993 - červená leštěnka
Škoda Fabia Combi 2.0 MPI 85kW 2007 - černá krasavice z Rajchu
ex:
Škoda Forman 1.3 40kW 1994 - pro nedostatek času prodán do muzea v Třinci u dealera Karireal - čeká ho druhý život
Škoda Fabia Combi 1.9 SDI 47kW 2003 - ve 440t km sešrotována u Milaty v Dobré, sloužila spolehlivě až do konce
Škoda Fabia Combi 2.0 MPI 85kW 2007 - černá krasavice z Rajchu
ex:
Škoda Forman 1.3 40kW 1994 - pro nedostatek času prodán do muzea v Třinci u dealera Karireal - čeká ho druhý život
Škoda Fabia Combi 1.9 SDI 47kW 2003 - ve 440t km sešrotována u Milaty v Dobré, sloužila spolehlivě až do konce
- Dlavka
- 205club je můj domov

- Příspěvky: 994
- Registrován: 24 bře 2011 20:46
- Rok narození: 1993
- Skutečné jméno: David
- Bydliště: Zašová
- Kontaktovat uživatele:
Re: Aloushův Nightfire II - 1.4 1998
No to teda má, protože jejich čeština je natolik deformovaná, že už se v tom ztrácí.
- vinorak
- odborník

- Příspěvky: 11375
- Registrován: 10 kvě 2007 13:02
- Rok narození: 1986
- Skutečné jméno: Tomas
- tel.:: 0
- Bydliště: Praha
Re: Aloushův Nightfire II - 1.4 1998
pravopis je spíš otázka intelektu než bydliště 
- Aloush
- Aktivní uživatel

- Příspěvky: 374
- Registrován: 13 črc 2015 20:17
- Rok narození: 1995
- Skutečné jméno: Ales Dopita
- tel.:: 735888182
- Bydliště: Olomouc
- Kontaktovat uživatele:
Re: Aloushův Nightfire II - 1.4 1998
Nepoperte se tu..
..nikdy jsem nad tím nepřemýšlel, se polepším Vino
Dneska jsem byl celý den ve škole, takže jsem na autě nepokročil.. (pořád neostřikuje
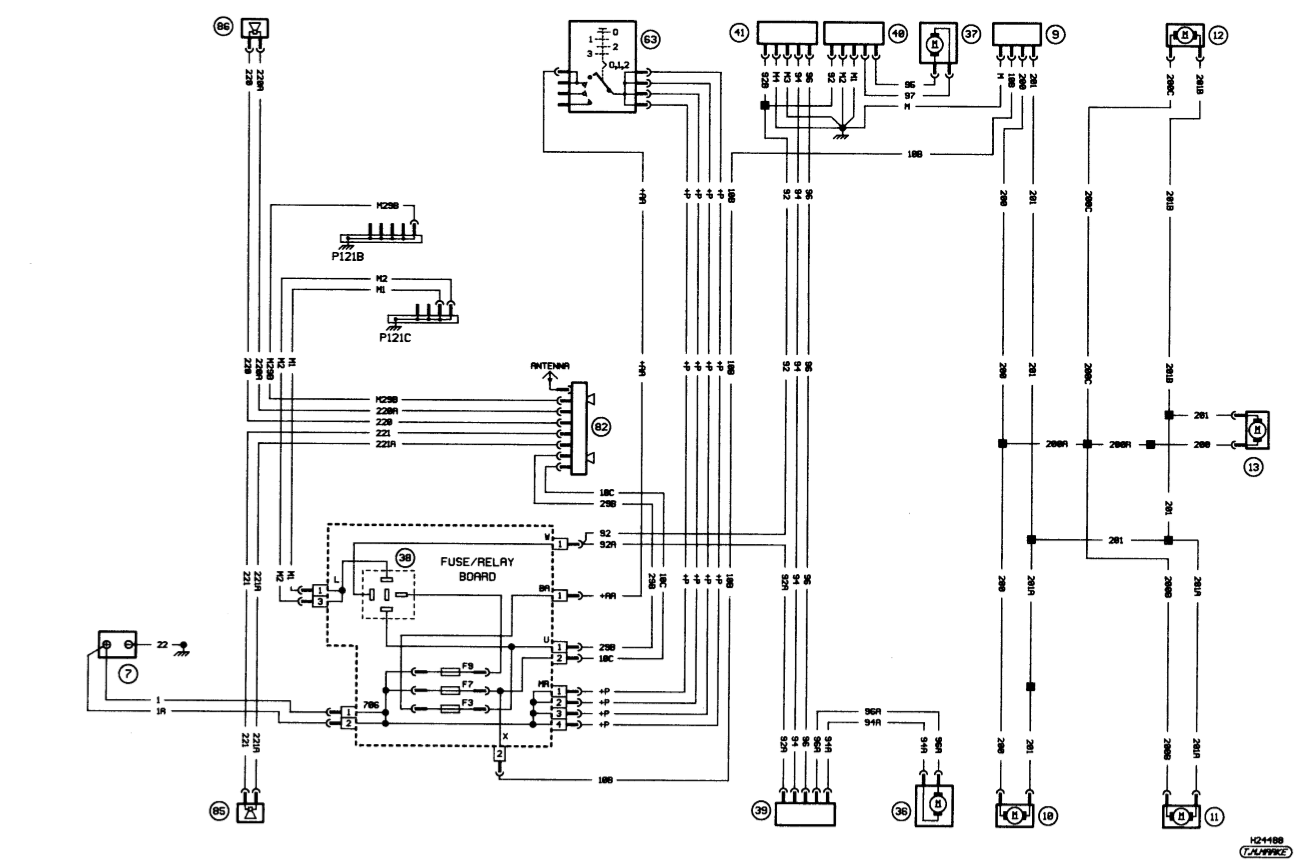
) Děkuji za schéma pro repro, ale nevím co to mám já za schémata.
Přikládám odkud jsem vyčetl přední repro - mělo by to být univerzální. Schémata vnitří elektroniky a osvětlení by se snad neměli lišit v závislosti na motoru.
Snad se tomu dá trošku věřit 
Dneska jsem byl celý den ve škole, takže jsem na autě nepokročil.. (pořád neostřikuje
Přikládám odkud jsem vyčetl přední repro - mělo by to být univerzální. Schémata vnitří elektroniky a osvětlení by se snad neměli lišit v závislosti na motoru.
Peugeot 205 1.4 55kW (3d, 98) - Nightfire ♥
Peugeot 205 1.4 55kW (5d, 93) - Mamčina limuzína
----------------------
FB: Aleš Dopita
Peugeot 205 1.4 55kW (5d, 93) - Mamčina limuzína
----------------------
FB: Aleš Dopita
- vinorak
- odborník

- Příspěvky: 11375
- Registrován: 10 kvě 2007 13:02
- Rok narození: 1986
- Skutečné jméno: Tomas
- tel.:: 0
- Bydliště: Praha
Re: Aloushův Nightfire II - 1.4 1998
tohle je schéma z haynese 
- Aloush
- Aktivní uživatel

- Příspěvky: 374
- Registrován: 13 črc 2015 20:17
- Rok narození: 1995
- Skutečné jméno: Ales Dopita
- tel.:: 735888182
- Bydliště: Olomouc
- Kontaktovat uživatele:
Re: Aloushův Nightfire II - 1.4 1998
Jojo, mám ho celého v pdf.. tam jsou špatná schémata, nebo jim můžu věřit? 
Peugeot 205 1.4 55kW (3d, 98) - Nightfire ♥
Peugeot 205 1.4 55kW (5d, 93) - Mamčina limuzína
----------------------
FB: Aleš Dopita
Peugeot 205 1.4 55kW (5d, 93) - Mamčina limuzína
----------------------
FB: Aleš Dopita
- vinorak
- odborník

- Příspěvky: 11375
- Registrován: 10 kvě 2007 13:02
- Rok narození: 1986
- Skutečné jméno: Tomas
- tel.:: 0
- Bydliště: Praha
Re: Aloushův Nightfire II - 1.4 1998
většina je v pohodě, ale lepší jsou ty francouzský
tam jsou popsaný i pozice v konektorech a barva.... jinak ostřikovače z 99 procent nejdou, protože jsou zezelenalý dráty u motorku, měl jsem to tak na všech 205kách 
- Aloush
- Aktivní uživatel

- Příspěvky: 374
- Registrován: 13 črc 2015 20:17
- Rok narození: 1995
- Skutečné jméno: Ales Dopita
- tel.:: 735888182
- Bydliště: Olomouc
- Kontaktovat uživatele:
Re: Aloushův Nightfire II - 1.4 1998
Hezký večer všem klubákům.
Dnes menší pokrok.
Mámě jsem na 205 vyměňoval asi 6 žárovek v budících (už nesvítily ani blinkry)..
Na mojem jsem začal řešit otáčkoměr, ale zatím to nějak nejede (lítá to na 8000 ještě než nastartuju)
snad to jednou rozchodím, bude vychytávka největší
Dále jsem vyměnil pravou páčku u volantu a už mi to stříká
(vino.. mně ani nestíraly stěrače, když jsem dal páčku k sobě - když jsem je zapl samostatně tak stíraly), takže to nebylo kvůli drátům u motorku). :) Dále jsem zjistil proč mi nefoukalo topení - já nezapojil drát do fukaru
zůstal viset v tunelu, takže jsem to jen zapojil a zas to hezky fučí.
V následujících dnech budu řešit střešní okno zalepené izolepou: 1. je to škaredy, 2. už to protíká
Zkusím nejdřív silikonový olej a když nepomůže tak to asi zaleju silikonem a nebudu ho používat. Zjistil jsem, že šibr asi není origo z 205, ale byl dodělávaný.. tím pádem asi náhradní těsnění, nebo druhé okno stejné velikosti, neseženu. 
Mámě jsem na 205 vyměňoval asi 6 žárovek v budících (už nesvítily ani blinkry)..
Na mojem jsem začal řešit otáčkoměr, ale zatím to nějak nejede (lítá to na 8000 ještě než nastartuju)
Dále jsem vyměnil pravou páčku u volantu a už mi to stříká
V následujících dnech budu řešit střešní okno zalepené izolepou: 1. je to škaredy, 2. už to protíká
Peugeot 205 1.4 55kW (3d, 98) - Nightfire ♥
Peugeot 205 1.4 55kW (5d, 93) - Mamčina limuzína
----------------------
FB: Aleš Dopita
Peugeot 205 1.4 55kW (5d, 93) - Mamčina limuzína
----------------------
FB: Aleš Dopita
- Aloush
- Aktivní uživatel

- Příspěvky: 374
- Registrován: 13 črc 2015 20:17
- Rok narození: 1995
- Skutečné jméno: Ales Dopita
- tel.:: 735888182
- Bydliště: Olomouc
- Kontaktovat uživatele:
Re: Aloushův Nightfire II - 1.4 1998
Dneska jsem "spravil" otáčkoměr a zapojil podle návodu..
..je s ním docela sranda 
- reaguje na všechno.. vyletí když zapnu blinkry, když zapnu mlhovku a vyhřívání, když chci zavřít zavřené okno a aby se neřeklo, tak i na plyn.
viz video na: https://onedrive.live.com/redir?resid=1 ... ideo%2cmp4
Mám připojený drát přímo od snímače v motoru.. ale asi jsem napojil jiný.
Jinak jsem si udělal radost a nechal si poslat hever k motoru z 205, abych nemusel vozit velký v kufru.
- reaguje na všechno.. vyletí když zapnu blinkry, když zapnu mlhovku a vyhřívání, když chci zavřít zavřené okno a aby se neřeklo, tak i na plyn.
viz video na: https://onedrive.live.com/redir?resid=1 ... ideo%2cmp4
Mám připojený drát přímo od snímače v motoru.. ale asi jsem napojil jiný.
Jinak jsem si udělal radost a nechal si poslat hever k motoru z 205, abych nemusel vozit velký v kufru.
Peugeot 205 1.4 55kW (3d, 98) - Nightfire ♥
Peugeot 205 1.4 55kW (5d, 93) - Mamčina limuzína
----------------------
FB: Aleš Dopita
Peugeot 205 1.4 55kW (5d, 93) - Mamčina limuzína
----------------------
FB: Aleš Dopita
- Aloush
- Aktivní uživatel

- Příspěvky: 374
- Registrován: 13 črc 2015 20:17
- Rok narození: 1995
- Skutečné jméno: Ales Dopita
- tel.:: 735888182
- Bydliště: Olomouc
- Kontaktovat uživatele:
Re: Aloushův Nightfire II - 1.4 1998
Tak jsem sehnal garážu s kanálem ve vedlejší vesnici - konečně můžu obkouknout Puga i zespodu.
Dávám fotku kolik je místa mezi výfukem a rezervou.. může teplo od výfuku něco udělat s gumou?
Dál jsem si všiml praklé manžety u pravé poloosy.. hledal jsem a našel že se dají koupit přetahovací.. co byste mi poradili? (Koupit novou polosu?
)
Jinak jsem na autě vyměnil mlhovky za menší. Přijde mi že by to chtělo něco mezi.. ale univerzály jsou naprd, časem koupím přímo na 205.. :)
Na sedačky jsou dal červené potahy (tílka), jsou trošku výrazné, příště vezmu černé.. :D ..a ještě přibyli ofuky
Dávám fotku kolik je místa mezi výfukem a rezervou.. může teplo od výfuku něco udělat s gumou?
Dál jsem si všiml praklé manžety u pravé poloosy.. hledal jsem a našel že se dají koupit přetahovací.. co byste mi poradili? (Koupit novou polosu?
Jinak jsem na autě vyměnil mlhovky za menší. Přijde mi že by to chtělo něco mezi.. ale univerzály jsou naprd, časem koupím přímo na 205.. :)
Na sedačky jsou dal červené potahy (tílka), jsou trošku výrazné, příště vezmu černé.. :D ..a ještě přibyli ofuky
Peugeot 205 1.4 55kW (3d, 98) - Nightfire ♥
Peugeot 205 1.4 55kW (5d, 93) - Mamčina limuzína
----------------------
FB: Aleš Dopita
Peugeot 205 1.4 55kW (5d, 93) - Mamčina limuzína
----------------------
FB: Aleš Dopita
- Aloush
- Aktivní uživatel

- Příspěvky: 374
- Registrován: 13 črc 2015 20:17
- Rok narození: 1995
- Skutečné jméno: Ales Dopita
- tel.:: 735888182
- Bydliště: Olomouc
- Kontaktovat uživatele:
Re: Aloushův Nightfire II - 1.4 1998
Dneska jsem odvezl exipy do lakovny na renovaci.. vybral jsem trošku tmavší šedou barvu, zkoušel jsem si dělat virtuály a ta stříbrná se mi tolik nelíbila. Snad to bude vypadat trochu k světu..
Během příštího týdne je půjdu vyzvednout a hned obuju pneu.. a můžou rovnou na Puga.
Během příštího týdne je půjdu vyzvednout a hned obuju pneu.. a můžou rovnou na Puga.
Peugeot 205 1.4 55kW (3d, 98) - Nightfire ♥
Peugeot 205 1.4 55kW (5d, 93) - Mamčina limuzína
----------------------
FB: Aleš Dopita
Peugeot 205 1.4 55kW (5d, 93) - Mamčina limuzína
----------------------
FB: Aleš Dopita
- Aloush
- Aktivní uživatel

- Příspěvky: 374
- Registrován: 13 črc 2015 20:17
- Rok narození: 1995
- Skutečné jméno: Ales Dopita
- tel.:: 735888182
- Bydliště: Olomouc
- Kontaktovat uživatele:
Re: Aloushův Nightfire II - 1.4 1998
V lakovně si dali na čas, Exipy už jsou doma, jen zas musím počkat na pneuservis.
Jinak při cestě z Mostu jsem zjistil, že když jedu rychle (třeba 150) z kopce a dám nohu z plynu, tak to rachotí.. asi vpravo.. že by poloosa?
Zatím jsem neměnil tu manžetu, tak možná rovnou vyměním celou poloosu.. musím jen zjistit jestli to dělá ona.
Jinak dneska jsem nasadil provizorní červenou masku od felixe (protože si na bez znaku chci natáhnout folii, aby byla stejná s kapotou) a už mi asi 4 lidi řekli že je to hezčí. Mě to k tomu autu nesedí.. zkoušel jsem i virtuály do šedé/černé, modré.. prostě je na tom nejlepší maska bez znaku
Dál jsem nasadil netmavená zadní okna.. a za posledních 10 dní s Pugem najel asi 1500km

Jinak při cestě z Mostu jsem zjistil, že když jedu rychle (třeba 150) z kopce a dám nohu z plynu, tak to rachotí.. asi vpravo.. že by poloosa?
Jinak dneska jsem nasadil provizorní červenou masku od felixe (protože si na bez znaku chci natáhnout folii, aby byla stejná s kapotou) a už mi asi 4 lidi řekli že je to hezčí. Mě to k tomu autu nesedí.. zkoušel jsem i virtuály do šedé/černé, modré.. prostě je na tom nejlepší maska bez znaku
Dál jsem nasadil netmavená zadní okna.. a za posledních 10 dní s Pugem najel asi 1500km
Peugeot 205 1.4 55kW (3d, 98) - Nightfire ♥
Peugeot 205 1.4 55kW (5d, 93) - Mamčina limuzína
----------------------
FB: Aleš Dopita
Peugeot 205 1.4 55kW (5d, 93) - Mamčina limuzína
----------------------
FB: Aleš Dopita
