Denní svícení
- Klobe
- Stálý inventář 205clubu

- Příspěvky: 2474
- Registrován: 18 srp 2008 16:30
- Rok narození: 1991
- Skutečné jméno: Tomas
- tel.:: 0
- Bydliště: Uherske Hradiste
Re: Denní svícení
Peugeot 405 SRDT r.v. 94 . EX
Mazda 323f 1.5 16v rok 98
Mazda 323f 1.5 16v rok 98
- Milhaus
- Club admin

- Příspěvky: 10058
- Registrován: 19 bře 2007 09:55
- Rok narození: 1984
- Skutečné jméno: Milan
- Bydliště: Býškovice
- Kontaktovat uživatele:
Re: Denní svícení
aukro je jedno velké vietcong tržiště, takové věci se tam nenakupujou
http://www.zbozi.cz/items?r=hint&itemTy ... ni+sviceni
http://www.zbozi.cz/items?r=hint&itemTy ... ni+sviceni
________
Peugeot 205 | GT | | v rytmu 90. let |
Fabia 1,9 | SDI |
Peugeot 205 | GT | | v rytmu 90. let |
Fabia 1,9 | SDI |
- Mirda KV
- Aktivní uživatel

- Příspěvky: 310
- Registrován: 21 dub 2008 18:14
- Rok narození: 1978
- Skutečné jméno: Mirek
- Bydliště: Karlovy Vary
Re: Denní svícení
ale nakupují , jen musíš vědět co přesně kupuješ a nebej lama co koupí každou kravinu
Já je na Aukru koupil , světla mají jak homologaci přímo na světlech tak mám i doklad o homologaci pro použítí na denní svícení
konkrétně jsou to tyhle světla
http://reviloshop.cz/store/GoodsDetail. ... =JOM-80051
svítí to parádně a hlavně šetří baterku
podařilo se mi je koupit za 700 ,-
Já je na Aukru koupil , světla mají jak homologaci přímo na světlech tak mám i doklad o homologaci pro použítí na denní svícení
konkrétně jsou to tyhle světla
http://reviloshop.cz/store/GoodsDetail. ... =JOM-80051
svítí to parádně a hlavně šetří baterku
podařilo se mi je koupit za 700 ,-
- rossi
- Aktivní uživatel

- Příspěvky: 473
- Registrován: 16 říj 2008 18:26
- Rok narození: 1986
- Skutečné jméno: Zdenek
- tel.:: 720565731
- Bydliště: Dobra, Pribyslav
- Kontaktovat uživatele:
Re: Denní svícení
Takhle to sviti a mam ty spravny svetla a zadny papir mi k tomu nedali prej staci to co je na plastu vitisteny
- Přílohy
-
- DSC00099.JPG (46.63 KiB) Zobrazeno 3694 x
Rossi 205 1.1 44kw 91rv niní z motorem 1.4 55kw a GTI napravou
- draken
- Club admin

- Příspěvky: 7972
- Registrován: 12 črc 2009 18:21
- Rok narození: 1991
- Skutečné jméno: Honza
- tel.:: 732440821
- Bydliště: Hr. Králové, Nový Bydžov
Re: Denní svícení
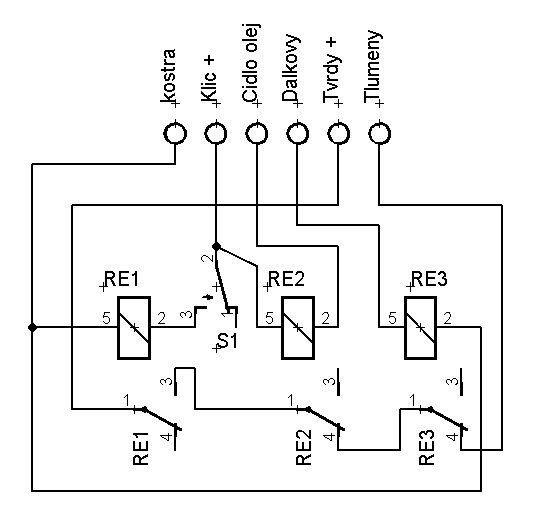
Tak takhle sem dneska vyřešil denní svícení já (viz schema), jsou to tři malý relátka, který zaříděj, aby se po nastartování rozsvítily přední tlumený světla a při zapnutí dálkovejch zase vypnuly,v noci když se musí rozsvítit i zadní stačí jen otočit páčkou a zapnout normal světla. Celej automat se pak dá vypnout spínačem a světla fungujou normal přes páčku. Je to malej plošňák , vešel se pod levý přední světlo, cena cca 120,- kč - home made
- Přílohy
-
- Automat na světla.jpg (36.39 KiB) Zobrazeno 3651 x
- Klobe
- Stálý inventář 205clubu

- Příspěvky: 2474
- Registrován: 18 srp 2008 16:30
- Rok narození: 1991
- Skutečné jméno: Tomas
- tel.:: 0
- Bydliště: Uherske Hradiste
Re: Denní svícení
hod aj nějakou fotku jak to vypadá na autě 
Peugeot 405 SRDT r.v. 94 . EX
Mazda 323f 1.5 16v rok 98
Mazda 323f 1.5 16v rok 98
- draken
- Club admin

- Příspěvky: 7972
- Registrován: 12 črc 2009 18:21
- Rok narození: 1991
- Skutečné jméno: Honza
- tel.:: 732440821
- Bydliště: Hr. Králové, Nový Bydžov
Re: Denní svícení
to je asi zbytečný je to krabice cca 7x5 cm a z toho vede 6 kabelu
- WoMec
- Stálý inventář 205clubu

- Příspěvky: 6592
- Registrován: 05 led 2008 14:30
- Rok narození: 1987
- Skutečné jméno: Honza
- tel.:: 775037752
- Bydliště: Vyškov
Re: Denní svícení
mitjo asi te trochu zklamu ale takhle jsem to chtel udelat taky ale bylo mi řečeno ze to je proti vyhlášce. Je tam nekde definovaný ze hlavní svetla musí svítit zaroven se zadníma obrysovýma ... a nelez je využít samostatně jako svetla pro denní svícení.
- draken
- Club admin

- Příspěvky: 7972
- Registrován: 12 črc 2009 18:21
- Rok narození: 1991
- Skutečné jméno: Honza
- tel.:: 732440821
- Bydliště: Hr. Králové, Nový Bydžov
Re: Denní svícení
sic nejsem mitja, ale je v tomhle případě mě může zákon políbit vite co. Zadní světla stejně nejsou ve dne moc vidět akorát žerou proud.
- WoMec
- Stálý inventář 205clubu

- Příspěvky: 6592
- Registrován: 05 led 2008 14:30
- Rok narození: 1987
- Skutečné jméno: Honza
- tel.:: 775037752
- Bydliště: Vyškov
Re: Denní svícení
tobe mozna jo ... ale az ti za to daji policajti flastra tak se budeš divit ;)
- Klobe
- Stálý inventář 205clubu

- Příspěvky: 2474
- Registrován: 18 srp 2008 16:30
- Rok narození: 1991
- Skutečné jméno: Tomas
- tel.:: 0
- Bydliště: Uherske Hradiste
Re: Denní svícení
ale já myslel fotku auta s těma světýlkama 
Peugeot 405 SRDT r.v. 94 . EX
Mazda 323f 1.5 16v rok 98
Mazda 323f 1.5 16v rok 98
- draken
- Club admin

- Příspěvky: 7972
- Registrován: 12 črc 2009 18:21
- Rok narození: 1991
- Skutečné jméno: Honza
- tel.:: 732440821
- Bydliště: Hr. Králové, Nový Bydžov
Re: Denní svícení
ale zas co sem se bavil se sousedem co dela na dopravce, tak řikal, že auto přes den musí bejt osvětlený alespoň ve předu, čili že zadní světla svítit nemusej a na tenhle způsob svícení nic nenamítalWoMec píše:tobe mozna jo ... ale az ti za to daji policajti flastra tak se budeš divit ;)
- Klobe
- Stálý inventář 205clubu

- Příspěvky: 2474
- Registrován: 18 srp 2008 16:30
- Rok narození: 1991
- Skutečné jméno: Tomas
- tel.:: 0
- Bydliště: Uherske Hradiste
Re: Denní svícení
to je pravda, v zákoně je psané že musíš být vidět zepředu takže zadní nemusejí svítit 
Peugeot 405 SRDT r.v. 94 . EX
Mazda 323f 1.5 16v rok 98
Mazda 323f 1.5 16v rok 98
- Mitja
- Stálý inventář 205clubu

- Příspěvky: 4659
- Registrován: 27 lis 2007 19:05
- Rok narození: 1986
- Skutečné jméno: Ondra
- tel.:: 0
- Bydliště: Studénka-Butovice
- Kontaktovat uživatele:
Re: Denní svícení
Jenze beztak tam je taky, ze potkavaci svetla musi svitit zaroven se zadnima.. takze ti nedaji flastr za denni sviceni ale za tohle.
---------------------------------------------------------------------------------------------------------------
Peugeot 205, 1.1i (44kw), color line, '91 - na vikendy
Renault Megane II sedan, 1.4 16V (72kw), sportway, '09 - hlavni auto
Peugeot 306 sedan, 1.6i (65kw), '95 - na dojezdeni
CPI Popcorn, 50 ccm, '03 - ceka na opravu
Škoda Fabia II 1.4 TDI (59kw), '06 - prace/Misa
Peugeot 205, 1.1i (44kw), color line, '91 - na vikendy
Renault Megane II sedan, 1.4 16V (72kw), sportway, '09 - hlavni auto
Peugeot 306 sedan, 1.6i (65kw), '95 - na dojezdeni
CPI Popcorn, 50 ccm, '03 - ceka na opravu
Škoda Fabia II 1.4 TDI (59kw), '06 - prace/Misa

