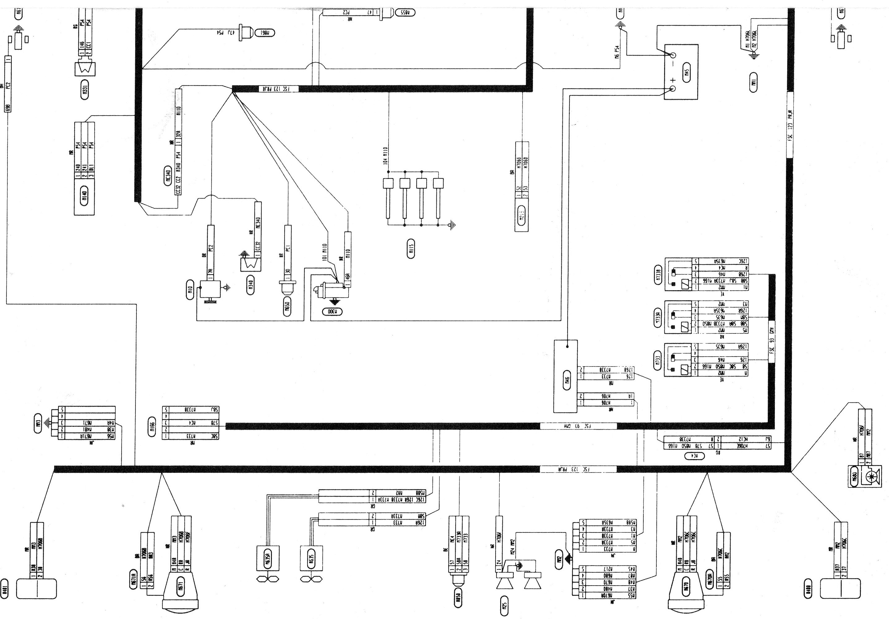
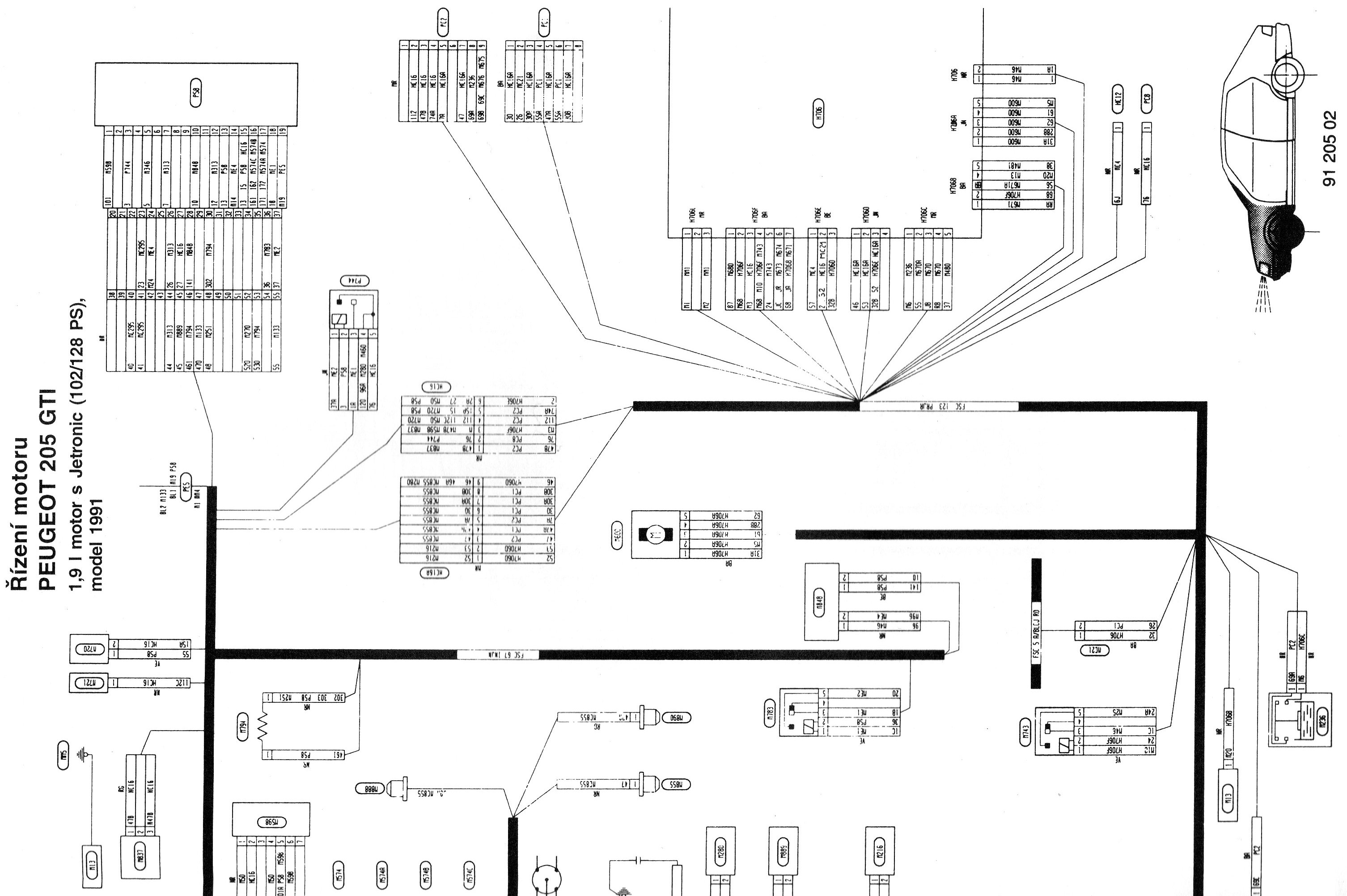
el. schema kdyby se nekomu hodilo(disel,gti 102-128 a 60PS )
-
hanc
- Nováček

- Příspěvky: 24
- Registrován: 06 úno 2011 20:10
- Rok narození: 1985
- Skutečné jméno: Jan Gruber
- tel.:: 720240839
- Bydliště: Plzen-jih Přeštice
el. schema kdyby se nekomu hodilo(disel,gti 102-128 a 60PS )
snat se nekomu pomuze je to i s legendou tak se v tom snad kazdy vyzna
-
hanc
- Nováček

- Příspěvky: 24
- Registrován: 06 úno 2011 20:10
- Rok narození: 1985
- Skutečné jméno: Jan Gruber
- tel.:: 720240839
- Bydliště: Plzen-jih Přeštice
Re: el. schema kdyby se nekomu hodilo(disel,gti 102-128 a 60
dalsi schemata motorovy svazek gti 102-128PS,motorovy svazek 60PS a cele auto