Chyba č. 14
Chyba č. 14
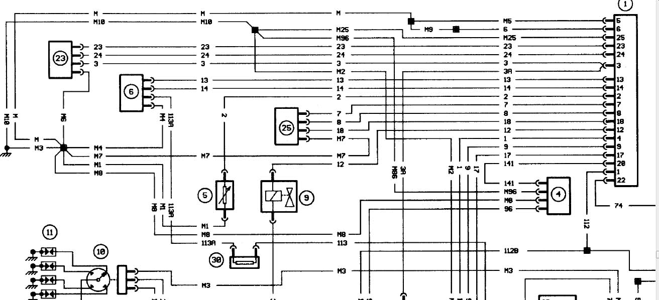
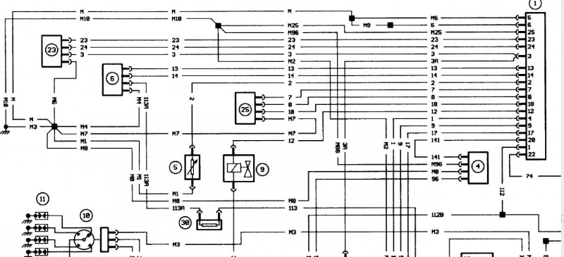
Diagnostika mi pořád hlásí chybu č. 14 což má být snímač teploty chladící kapaliny. V Programu Autodata mi to vyhodilo obrázek (viz příloha). Čidlo jsem proměřil a zdá se být dobré. Ostatní čidla jsem dal z 1.1, kde to žádnou chybu nehlásilo. Netuší někdo co to ještě může dělat?
- draken
- Club admin

- Příspěvky: 7972
- Registrován: 12 črc 2009 18:21
- Rok narození: 1991
- Skutečné jméno: Honza
- tel.:: 732440821
- Bydliště: Hr. Králové, Nový Bydžov
Re: Chyba č. 14
zkoušel jsi proměřit kabel k řj? jestli není někde přerušenej 
Re: Chyba č. 14
To mě taky napadlo musím najít jakej konektor to je na jednotce a zítra to zkusím. Jinak tu chybu si to načte aniž bych nastartoval motor.
- draken
- Club admin

- Příspěvky: 7972
- Registrován: 12 črc 2009 18:21
- Rok narození: 1991
- Skutečné jméno: Honza
- tel.:: 732440821
- Bydliště: Hr. Králové, Nový Bydžov
Re: Chyba č. 14
tak to bych fakt viděl na ten kabel, protože to nenajde na vstupu odpor, tak hned hlásí chybu
Re: Chyba č. 14
Nevíš náhodou na kterém pinu u ŘJ by to mělo být? Už 5 minut to hledám v tom programu Autodata a nemůžu to tam najít přitom vím, že jsem to tam někde viděl :-D
Re: Chyba č. 14
Aha tak já to viděl u 309 1.9 16V neví někdo jestli ty pozice jsou stejný? Je to taky dvouřádková jednotka.
Re: Chyba č. 14
Tak jsem našel piny i pro 1.1 a na té by to měl být pin č. 2 takže na 1.4 to předpokládám bude taky tak. No tak zítra zkusím prověřit ten pin a pokud to bude OK tak už nevím.
- draken
- Club admin

- Příspěvky: 7972
- Registrován: 12 črc 2009 18:21
- Rok narození: 1991
- Skutečné jméno: Honza
- tel.:: 732440821
- Bydliště: Hr. Králové, Nový Bydžov
Re: Chyba č. 14
jo taky sem to našel. je to na pozici 2 a kabel má označení 2 a měl by být béžový
Re: Chyba č. 14
OK zítra na to mrknu a uvidíme na co přijdu.
Re: Chyba č. 14
tak kabel na jednotce na pozici č. 2 je světle modrý a po připojení nenaměřím nic. Konektor je bílej a z něj vedou 2 dráty jeden hnědej a jeden fialovej. Zkoušel jsem tam dát i jednotku z 1.1 a hlásí to taky. Podle plánku v haynes by to mělo být číslo 5 (kabel číslo 2 jde z jednotky a druhý na kostru). Asi mi nezbyde nic jinýho, než natáhnout kabely nový protože hledat kde na cestě je problém bude asi problém. Napadá mě jestli jsem to nemohl blbě zapojit, ale dal bych ruku do ohně za to, že jsem žádnej konektor nespletl. Navíc žádnou jinou chybu to nehlásí.
Re: Chyba č. 14
Takže jsem ještě vytáhl obrázek toho správného svazku. Pokud to dobře chápu, tak při různé teplotě by to mělo dostávat různý hodnoty. Bohužel já jsem nic nenaměřil. Je to divný, protože s kabelama jsem nic nedělal, ale možná se někde na cestě přerušil. Dokáže mi někdo říct jak případně udělat nový vedení? Co kam zapojit apod :-) předpokládám, že s tímhle moc lidí zkušenosti nemá, ale já s elektrikou nejsem zase takovej kamarád.
- sedlibedli
- 205club je můj domov

- Příspěvky: 810
- Registrován: 22 bře 2010 21:57
- Rok narození: 1990
- Skutečné jméno: Mara
- tel.:: 607473933
- Bydliště: Salavice 37 Jihlava
- Kontaktovat uživatele:
Re: Chyba č. 14
tak kdyz to protahnes po kabelech od RJ tak stim nic neskazis . a kdyz se ti to povede dostat do toho husiho krku tak to budes mit nejlepsi.
Peugeot 205 1.4 GT -) generálka, momentálně depozit
Peugeot 205 1.8 D nová kastle.
Audi A4 1.9TDI 2007 novej milaček ale lasky mam pro oba dost !!
Peugeot 205 1.8 D nová kastle.
Audi A4 1.9TDI 2007 novej milaček ale lasky mam pro oba dost !!
Re: Chyba č. 14
Jasný, ale to asi bude pěkná rozborka interiéru. No u Antika omrknu konektory jestli jsem to nějak blbě nezapojil a podle toho to budu řešit.
- sedlibedli
- 205club je můj domov

- Příspěvky: 810
- Registrován: 22 bře 2010 21:57
- Rok narození: 1990
- Skutečné jméno: Mara
- tel.:: 607473933
- Bydliště: Salavice 37 Jihlava
- Kontaktovat uživatele:
Re: Chyba č. 14
jj omrknito . a jinak ti nic jineho nezbyde ale mohl by jsi to procpat jinudy . ja jsem procpaval trubicku na podtlak na stresni okno a nemusel jsem to rozebyrat . pod tim kabelem co vede do RJ jsou dve zaslepky skus to tudy ale taky to je sranda protahnout ale de to .
Peugeot 205 1.4 GT -) generálka, momentálně depozit
Peugeot 205 1.8 D nová kastle.
Audi A4 1.9TDI 2007 novej milaček ale lasky mam pro oba dost !!
Peugeot 205 1.8 D nová kastle.
Audi A4 1.9TDI 2007 novej milaček ale lasky mam pro oba dost !!
Re: Chyba č. 14
no v nejhorším to udělám jen nějak provizorně aby to jezdilo pořádně tak jak má a potom až budu mít čas to pořádně odstrojit tak bych to natáhnul pořádně. Uvidím snad to bude jenom blbej kabel. Problém spíš je, že na tom čidle jsou 2 piny a jeden má být kostra a druhý vede k jednotce ale netuším který je který.