čidlo klepání mi16
-
wyzky
- Aktivní uživatel

- Příspěvky: 209
- Registrován: 26 zář 2011 18:23
- Skutečné jméno: Ludek
- tel.:: 776561959
- Bydliště: Hradec králové
čidlo klepání mi16
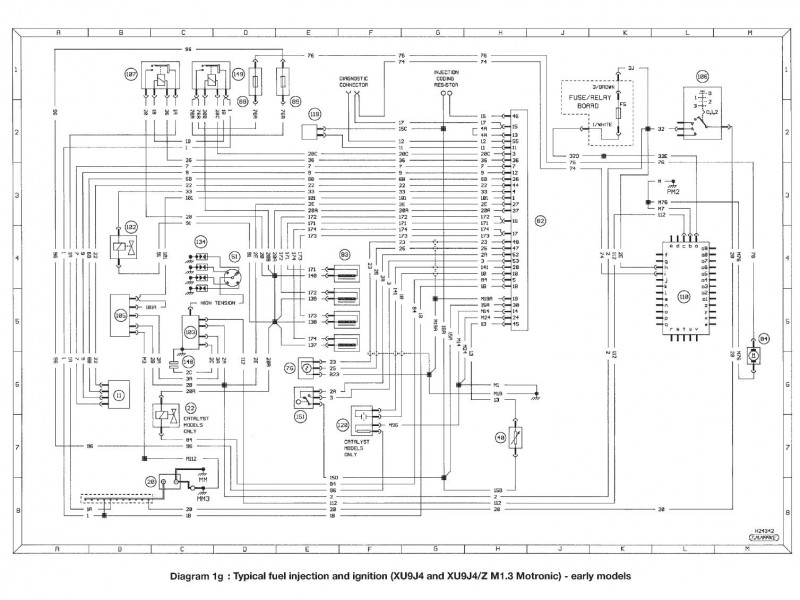
ahoj nevíte jak mám zapojit čidlo klepáni na 205 když tam mám mi16ku jezdilo to i bez toho 
Re: čidlo klepání mi16
no ono ti to samozrejme bez toho jezdit bude, akorat to nebude regulovat predstih..
ex 309 GTI
-
wyzky
- Aktivní uživatel

- Příspěvky: 209
- Registrován: 26 zář 2011 18:23
- Skutečné jméno: Ludek
- tel.:: 776561959
- Bydliště: Hradec králové
Re: čidlo klepání mi16
ahoj díky jen se ještě zeptám jeden jde na 11 do jednotky a ten druhej je se zapojí kam...nevím co to je ta 40 a pak do jednotky....
- vinorak
- odborník

- Příspěvky: 11375
- Registrován: 10 kvě 2007 13:02
- Rok narození: 1986
- Skutečné jméno: Tomas
- tel.:: 0
- Bydliště: Praha
Re: čidlo klepání mi16
40 je čidlo teploty vody pro jednotku.. pin 11 a 30 
-
wyzky
- Aktivní uživatel

- Příspěvky: 209
- Registrován: 26 zář 2011 18:23
- Skutečné jméno: Ludek
- tel.:: 776561959
- Bydliště: Hradec králové
Re: čidlo klepání mi16
o.k. díky

