zdravím kluci mám prozbu předělávám karbec na stříkačku
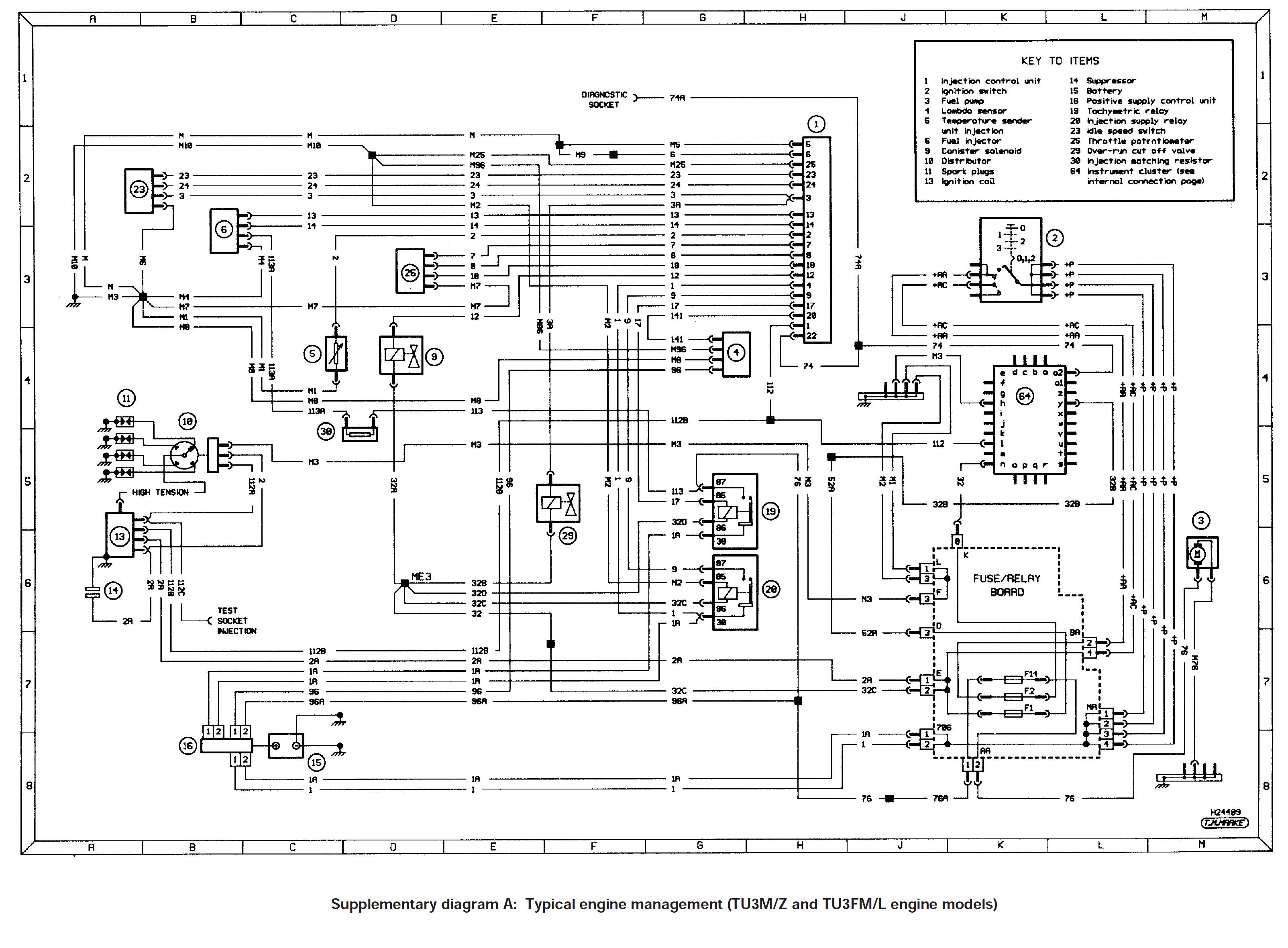
mám tu bosch jednotku číslo 0 280 000 705 nemáte náhodou schéma zapojení co kam z jednotky hlavně nevím který kabel je napájecí pro jednotku díky moc
schéma zapojení 1,4
Re: schéma zapojení 1,4
díky moc za schéma,ale někak nemůžu v tom schéma tu najít který kabel by měl být napájení pro jednotku
- vinorak
- odborník

- Příspěvky: 11375
- Registrován: 10 kvě 2007 13:02
- Rok narození: 1986
- Skutečné jméno: Tomas
- tel.:: 0
- Bydliště: Praha
Re: schéma zapojení 1,4
je to přez ty relátka pozice 19 a 20

