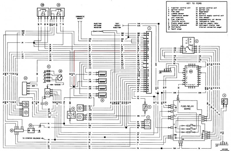
za 1) nejede cerpadlo: Samotne cerpadlo je dobre, pri propojeni tech spravnych pinu na patici relatka jede vyborne, akorat ze relatko ho proste nespusti... Zkusil sem dat druhe, ale taky nefunguje, a navic sa zda jineho typu...
za 2) nejde jiskra... Do inducky proud ide, vymenena inducka - beze zmeny, vymemen modul zapalovani - beze zmeny, zbyva cislo otacek, asi nejpravdepodobnejsi varianta, to bohuzel druhe nemam, snad to bude tim... Nebo je nejaka jina varianta ? Snad enom cela eletrika spatne, a opravdu sa me neche enit cely svazek, tuplem potom, co sem ho prolezl, zkontroloval a skoval do nove buzirky...
Talk co, pomoze me nekdo ?




