rele zhavenia

Takový pokec na „úrovni" týkající se 205tek
Odpovědět
Uživatelský avatar
yvi
Aktivní uživatel
Aktivní uživatel
Příspěvky: 274
Registrován: 19 zář 2009 18:33
Rok narození: 1988
Skutečné jméno: Lubomir Kralik
tel.:: 0
Bydliště: Zbehy

rele zhavenia

Příspěvek od yvi »

mam doma rele zhavenia zo 405 td z ktorej som vyberal motor ale ma jeden hasik ze to rele ma novy tip koncovky ..vedel by mi niekto poradit ze ktory kabel na novej koncovke by som mal zapojit na aky na starej koncovke??? dikes za rady
PEUGEOT 205 XSDT intercoler
Uživatelský avatar
yvi
Aktivní uživatel
Aktivní uživatel
Příspěvky: 274
Registrován: 19 zář 2009 18:33
Rok narození: 1988
Skutečné jméno: Lubomir Kralik
tel.:: 0
Bydliště: Zbehy

Re: rele zhavenia

Příspěvek od yvi »

nasiel som len tuto schemu rele zhavenia na p 405 ale neviem sa nejako z toho vysomarit...
Přílohy
schema zhaveni.JPG
PEUGEOT 205 XSDT intercoler
Uživatelský avatar
draken
Club admin
Club admin
Příspěvky: 7972
Registrován: 12 črc 2009 18:21
Rok narození: 1991
Skutečné jméno: Honza
tel.:: 732440821
Bydliště: Hr. Králové, Nový Bydžov

Re: rele zhavenia

Příspěvek od draken »

tak podle mě to je takto:
1 kostra
3 třetí poloha klíčku (startování)
4 druhá poloha klíčku
5 kontrolka
Uživatelský avatar
yvi
Aktivní uživatel
Aktivní uživatel
Příspěvky: 274
Registrován: 19 zář 2009 18:33
Rok narození: 1988
Skutečné jméno: Lubomir Kralik
tel.:: 0
Bydliště: Zbehy

Re: rele zhavenia

Příspěvek od yvi »

o a poradte teda ako to napojit do 205ky
PEUGEOT 205 XSDT intercoler
Uživatelský avatar
draken
Club admin
Club admin
Příspěvky: 7972
Registrován: 12 črc 2009 18:21
Rok narození: 1991
Skutečné jméno: Honza
tel.:: 732440821
Bydliště: Hr. Králové, Nový Bydžov

Re: rele zhavenia

Příspěvek od draken »

dyť sem ti někde popisoval zapojení 205kovýho relé, tak to stačí jen skombinovat
Uživatelský avatar
yvi
Aktivní uživatel
Aktivní uživatel
Příspěvky: 274
Registrován: 19 zář 2009 18:33
Rok narození: 1988
Skutečné jméno: Lubomir Kralik
tel.:: 0
Bydliště: Zbehy

Re: rele zhavenia

Příspěvek od yvi »

dnes som skusal a toto som zistil ....
PEUGEOT 205 XSDT intercoler
Uživatelský avatar
yvi
Aktivní uživatel
Aktivní uživatel
Příspěvky: 274
Registrován: 19 zář 2009 18:33
Rok narození: 1988
Skutečné jméno: Lubomir Kralik
tel.:: 0
Bydliště: Zbehy

Re: rele zhavenia

Příspěvek od yvi »

tak toto
Přílohy
schemy.JPG
schemy.JPG (24 KiB) Zobrazeno 8456 x
PEUGEOT 205 XSDT intercoler
Uživatelský avatar
yvi
Aktivní uživatel
Aktivní uživatel
Příspěvky: 274
Registrován: 19 zář 2009 18:33
Rok narození: 1988
Skutečné jméno: Lubomir Kralik
tel.:: 0
Bydliště: Zbehy

Re: rele zhavenia

Příspěvek od yvi »

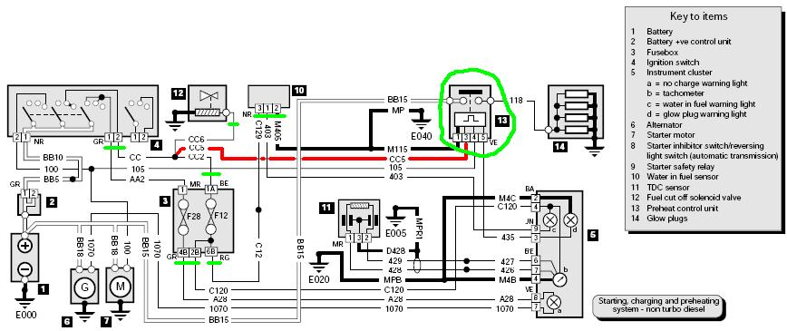
no tak dnes som konecne nieco dosiahol ... vymenil som rele zhavenia z 205 za 405td hacik bol v tom ze na 205 je stara koncovka rele zhavenia a na 405td nova koncovka.. po 2 dnoch som dosiahol funkcnost rele zo 405td v 205ke... prikladam foto a schemu ...
Přílohy
schemy.JPG
schemy.JPG (34.91 KiB) Zobrazeno 8424 x
DSC03078.JPG
PEUGEOT 205 XSDT intercoler
Odpovědět