Dotaz ohledně DO + alarmu p 306
Dotaz ohledně DO + alarmu p 306
Ahoj, zajima mě zda je to origo řj pro DO, nikde na forech jsem nenašel že by to bylo origo aspon podle nazvu a schamat zapojení, ale možná se pletu tak se ptám zda o tom někdo neco nevi
když v ty hnědy bužírce co vedou tři draty jsem dva k sobě spojil tak se auto zamknulo a odemklo a vedli k motoru kde byla sirena ale ty dráty od toho utrhany, tak pokud by bylo schema, byl bych vděčnej 
2007- Peugeot 309 1.9D - RIP
2008- Peugeot 205 1.8D - Dnes slouží našim
2010- Peugeot 205 1.1 Look - RIP, skončil na díly
2011- Peugeot 205 1.8D (Gti) -RIP, skončil na díly
2011- Peugeot 205 1.8D - shnila (motor a papíry použity)
2011- Peugeot 205 1.3 Rallye (předělávka na diesel)
2013- Peugeot 306 1.9 Xrdt (momentálně zlobí)
2008- Peugeot 205 1.8D - Dnes slouží našim
2010- Peugeot 205 1.1 Look - RIP, skončil na díly
2011- Peugeot 205 1.8D (Gti) -RIP, skončil na díly
2011- Peugeot 205 1.8D - shnila (motor a papíry použity)
2011- Peugeot 205 1.3 Rallye (předělávka na diesel)
2013- Peugeot 306 1.9 Xrdt (momentálně zlobí)
- draken
- Club admin

- Příspěvky: 7972
- Registrován: 12 črc 2009 18:21
- Rok narození: 1991
- Skutečné jméno: Honza
- tel.:: 732440821
- Bydliště: Hr. Králové, Nový Bydžov
Re: Dotaz ohledně DO + alarmu p 306
tohle origo určitě není a jestli chceš mit klid, tak to odtamtud vytrhej
Re: Dotaz ohledně DO + alarmu p 306
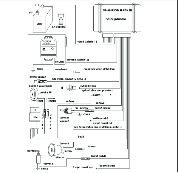
taky mě to napadlo, ale aspon ten centrál na dalku bych chtěl zprovoznit, tak schéma jsem našel jen by mě zajimalo co z toho viz obr. musim zapojit aby šel centrál na DO
- Přílohy
-
- Bez názvu.png (48.71 KiB) Zobrazeno 3617 x
2007- Peugeot 309 1.9D - RIP
2008- Peugeot 205 1.8D - Dnes slouží našim
2010- Peugeot 205 1.1 Look - RIP, skončil na díly
2011- Peugeot 205 1.8D (Gti) -RIP, skončil na díly
2011- Peugeot 205 1.8D - shnila (motor a papíry použity)
2011- Peugeot 205 1.3 Rallye (předělávka na diesel)
2013- Peugeot 306 1.9 Xrdt (momentálně zlobí)
2008- Peugeot 205 1.8D - Dnes slouží našim
2010- Peugeot 205 1.1 Look - RIP, skončil na díly
2011- Peugeot 205 1.8D (Gti) -RIP, skončil na díly
2011- Peugeot 205 1.8D - shnila (motor a papíry použity)
2011- Peugeot 205 1.3 Rallye (předělávka na diesel)
2013- Peugeot 306 1.9 Xrdt (momentálně zlobí)
- draken
- Club admin

- Příspěvky: 7972
- Registrován: 12 črc 2009 18:21
- Rok narození: 1991
- Skutečné jméno: Honza
- tel.:: 732440821
- Bydliště: Hr. Králové, Nový Bydžov
Re: Dotaz ohledně DO + alarmu p 306
tady na tom schematu nic k centrálu není, jen alarm
Re: Dotaz ohledně DO + alarmu p 306
pardon, jsem to popletl, jinak v autě mám origo centrál vzadu pod sedačkama a kličkem se dá přes infra odemčít ale to musim stat blizko auta a miřit do stropu aby se něco dělo... jinak nevim jakej ma dosah origo
- Přílohy
-
- Bez názvu.png (17.78 KiB) Zobrazeno 3608 x
2007- Peugeot 309 1.9D - RIP
2008- Peugeot 205 1.8D - Dnes slouží našim
2010- Peugeot 205 1.1 Look - RIP, skončil na díly
2011- Peugeot 205 1.8D (Gti) -RIP, skončil na díly
2011- Peugeot 205 1.8D - shnila (motor a papíry použity)
2011- Peugeot 205 1.3 Rallye (předělávka na diesel)
2013- Peugeot 306 1.9 Xrdt (momentálně zlobí)
2008- Peugeot 205 1.8D - Dnes slouží našim
2010- Peugeot 205 1.1 Look - RIP, skončil na díly
2011- Peugeot 205 1.8D (Gti) -RIP, skončil na díly
2011- Peugeot 205 1.8D - shnila (motor a papíry použity)
2011- Peugeot 205 1.3 Rallye (předělávka na diesel)
2013- Peugeot 306 1.9 Xrdt (momentálně zlobí)
- draken
- Club admin

- Příspěvky: 7972
- Registrován: 12 črc 2009 18:21
- Rok narození: 1991
- Skutečné jméno: Honza
- tel.:: 732440821
- Bydliště: Hr. Králové, Nový Bydžov
Re: Dotaz ohledně DO + alarmu p 306
no vyměň si baterku v klíčku a neřeš to. jinak nic ve zlim, to schema je dobrý, ale vysvětlovat ti to nemá cenu, když nevíš jak to funguje. to bych se upsal. Stručně, záleží na stávající jednotce jaký impulzy bere pro ovládání zámků, podle toho zapojíš ty N.O. a N.C. kontakty
Re: Dotaz ohledně DO + alarmu p 306
draty pro alarm jsem vyrušil, aby v tom nebyl chaos a celkem tě chapu jak to myslíš, zkusim to zítra a uvidím :)
2007- Peugeot 309 1.9D - RIP
2008- Peugeot 205 1.8D - Dnes slouží našim
2010- Peugeot 205 1.1 Look - RIP, skončil na díly
2011- Peugeot 205 1.8D (Gti) -RIP, skončil na díly
2011- Peugeot 205 1.8D - shnila (motor a papíry použity)
2011- Peugeot 205 1.3 Rallye (předělávka na diesel)
2013- Peugeot 306 1.9 Xrdt (momentálně zlobí)
2008- Peugeot 205 1.8D - Dnes slouží našim
2010- Peugeot 205 1.1 Look - RIP, skončil na díly
2011- Peugeot 205 1.8D (Gti) -RIP, skončil na díly
2011- Peugeot 205 1.8D - shnila (motor a papíry použity)
2011- Peugeot 205 1.3 Rallye (předělávka na diesel)
2013- Peugeot 306 1.9 Xrdt (momentálně zlobí)
