Tahla razeni
-
dypid
- 205 its my life

- Příspěvky: 568
- Registrován: 12 kvě 2008 20:30
- Bydliště: Brumov-Bylnice
- Kontaktovat uživatele:
Tahla razeni
- manko
- Stálý inventář 205clubu

- Příspěvky: 4313
- Registrován: 22 úno 2008 22:57
- Rok narození: 1990
- Skutečné jméno: Martin
- Bydliště: Senné (Okres VK)
- Kontaktovat uživatele:
Re: Tahla razeni
mno aj by som ti to odfotil ale z mojim fotakom nebudeš vela vidiet . jedine ak by som ti spravil video 
Peugeot 406 2,0 HDi 80kw 380 000 km 21.03.2001 4,9L / 100km :)
Peugeot 406 2,0 HDi 66kw 195 000 km 8.11.1999 5,3L / 100km
Peugeot 405 1.8 248 00 km 74kw 1995 Sorento Green + krémový interiér :)
čo bolo :
Peugeot 605 3.0 v6 208 000 Km 125 Kw 1992 Modrá
Peugeot 205 1.6 GTi 156 000 km 83kw 2.4.1993 Sorento Green Najkrajšie jazdy môjho života
Volkswagen Golf 3 1.4 CL Rozobraté na ND
Peugeot 205 1.9 GTi 88Kw Predané . Rozobraté na ND
Peugeot 205 1.1 44kw 143 000 Km Rv 1990 Takmer Rallye ....Predané...
Peugeot 205 1.9 GTi94Kw 1990 170 865 KM Teraz ho trápi Dypid
Peugeot 205 1.6 GTi 1986 163 000 Km :: R.I.P ::
Peugeot 405 MI16 Le Mans 210 000 Km 1989 Biela
Peugeot 405 1.6 (XU52C) 1992 101 000 Km Bez TP švajčiar... Jediný karburátor čo som mal
Peugeot 406 2,0 HDi 66kw 195 000 km 8.11.1999 5,3L / 100km
Peugeot 405 1.8 248 00 km 74kw 1995 Sorento Green + krémový interiér :)

čo bolo :
Peugeot 605 3.0 v6 208 000 Km 125 Kw 1992 Modrá
Peugeot 205 1.6 GTi 156 000 km 83kw 2.4.1993 Sorento Green Najkrajšie jazdy môjho života
Volkswagen Golf 3 1.4 CL Rozobraté na ND
Peugeot 205 1.9 GTi 88Kw Predané . Rozobraté na ND
Peugeot 205 1.1 44kw 143 000 Km Rv 1990 Takmer Rallye ....Predané...
Peugeot 205 1.9 GTi94Kw 1990 170 865 KM Teraz ho trápi Dypid
Peugeot 205 1.6 GTi 1986 163 000 Km :: R.I.P ::
Peugeot 405 MI16 Le Mans 210 000 Km 1989 Biela
Peugeot 405 1.6 (XU52C) 1992 101 000 Km Bez TP švajčiar... Jediný karburátor čo som mal
-
dypid
- 205 its my life

- Příspěvky: 568
- Registrován: 12 kvě 2008 20:30
- Bydliště: Brumov-Bylnice
- Kontaktovat uživatele:
Re: Tahla razeni
no skus to nejak udelat
-
Semir
- 205club je můj domov

- Příspěvky: 802
- Registrován: 21 bře 2008 22:31
- Skutečné jméno: Pavel
- Bydliště: ČR
- Kontaktovat uživatele:
Re: Tahla razeni
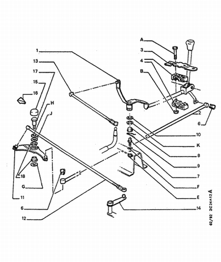
Tak mohu ti poskytnou toto...
- Přílohy
-
- 2c24a12a.jpg (58.56 KiB) Zobrazeno 12163 x
-
- 2c24a22a.jpg (58.85 KiB) Zobrazeno 12161 x
-
- 2f24a06a.jpg (63.75 KiB) Zobrazeno 12161 x
PEUGEOT 205 5.dv Open v TP 2.0 jinak 1.9 75kW r.v.89
Všechny ostatní Pugy vyvrakovány..zbylo pár dílů
Rodinný Ford Galaxy 1,9TDI, na výlety Kawasaki VN800 Classic
Všechny ostatní Pugy vyvrakovány..zbylo pár dílů
Rodinný Ford Galaxy 1,9TDI, na výlety Kawasaki VN800 Classic
-
dypid
- 205 its my life

- Příspěvky: 568
- Registrován: 12 kvě 2008 20:30
- Bydliště: Brumov-Bylnice
- Kontaktovat uživatele:
Re: Tahla razeni
tak uz je mi to jasny nonGTi ma jakoby otocenou sajtru oproti GTi takze to musim predelat a konecne uz budu radit a brzy snad i ŘÁDIT 
- WoMec
- Stálý inventář 205clubu

- Příspěvky: 6592
- Registrován: 05 led 2008 14:30
- Rok narození: 1987
- Skutečné jméno: Honza
- tel.:: 775037752
- Bydliště: Vyškov
Re: Tahla razeni
myslim ze to maj všechny pugy stejny ne ?dypid píše:tak uz je mi to jasny nonGTi ma jakoby otocenou sajtru oproti GTi takze to musim predelat a konecne uz budu radit a brzy snad i ŘÁDIT
-
Semir
- 205club je můj domov

- Příspěvky: 802
- Registrován: 21 bře 2008 22:31
- Skutečné jméno: Pavel
- Bydliště: ČR
- Kontaktovat uživatele:
Re: Tahla razeni
Nemají, jsou tam rozdíly s kat a bez a myslím další srobnůstky...na těch schematech je to trochu vidět.
PEUGEOT 205 5.dv Open v TP 2.0 jinak 1.9 75kW r.v.89
Všechny ostatní Pugy vyvrakovány..zbylo pár dílů
Rodinný Ford Galaxy 1,9TDI, na výlety Kawasaki VN800 Classic
Všechny ostatní Pugy vyvrakovány..zbylo pár dílů
Rodinný Ford Galaxy 1,9TDI, na výlety Kawasaki VN800 Classic
- WoMec
- Stálý inventář 205clubu

- Příspěvky: 6592
- Registrován: 05 led 2008 14:30
- Rok narození: 1987
- Skutečné jméno: Honza
- tel.:: 775037752
- Bydliště: Vyškov
Re: Tahla razeni
ale princip a smery pohybů při řazení jsou stejny ne ?Semir píše:Nemají, jsou tam rozdíly s kat a bez a myslím další srobnůstky...na těch schematech je to trochu vidět.
-
Semir
- 205club je můj domov

- Příspěvky: 802
- Registrován: 21 bře 2008 22:31
- Skutečné jméno: Pavel
- Bydliště: ČR
- Kontaktovat uživatele:
Re: Tahla razeni
To bych řekl asi že jo i když si nejsem jistý
PEUGEOT 205 5.dv Open v TP 2.0 jinak 1.9 75kW r.v.89
Všechny ostatní Pugy vyvrakovány..zbylo pár dílů
Rodinný Ford Galaxy 1,9TDI, na výlety Kawasaki VN800 Classic
Všechny ostatní Pugy vyvrakovány..zbylo pár dílů
Rodinný Ford Galaxy 1,9TDI, na výlety Kawasaki VN800 Classic
- whiler
- Aktivní uživatel

- Příspěvky: 499
- Registrován: 12 srp 2008 08:01
- Rok narození: 1990
- Skutečné jméno: Adam Pavelka
- tel.:: 0
- Bydliště: Ústí nad Labem
- Kontaktovat uživatele:
Re: Tahla razeni
dá se něják upravit řazenhí tak aby se mi nevyklala řadička i při rychlsoti..a aby to nevrzalo?
205 XS 1.4 55kW, Remus to je Rámus,
- ondra410
- Aktivní uživatel

- Příspěvky: 449
- Registrován: 21 kvě 2008 17:15
- Skutečné jméno: Ondra
- tel.:: 739401746
- Bydliště: Uherské Hradiště
- Kontaktovat uživatele:
Re: Tahla razeni
JJJJJ nejjednodužší je udělat nová táhla Dají se použít kloubky z Favorita mají sice drobné vůle ale je to lepší než vybouchané ze starého Puga, ale kdyby jsi chtěl něco lepšího např zkrátit dráhy řadící páky tak doporučuju koupit něco takového: http://www.mateza.cz/pdf/010803.pdf
Mám to na svém autě a funguje to na 100 procent mužeš s tím škubat jak chceš kloubek nevypadne.
v případě zájmu můžu zveřejnit více fotek. tak kdyžtak mi pište na dotazy rád odpovím.
Mám to na svém autě a funguje to na 100 procent mužeš s tím škubat jak chceš kloubek nevypadne.
v případě zájmu můžu zveřejnit více fotek. tak kdyžtak mi pište na dotazy rád odpovím.
- Přílohy
-
- Táhla udělaná z Fávo kloubků
- Favo 1.JPG (97.86 KiB) Zobrazeno 12000 x
-
- táhla z favo koubků
- Favo 2.JPG (76.08 KiB) Zobrazeno 12003 x
P 205 GTi - Momentálně v totální rekonstrukci
P406 Mi 16V - Krasavec po starém strýčkovi
P 405 T8 4x4 - Kára na zimu
P 405 T16 X4 - pojizdná raketa :D
P 405 MI16 II - Voňavka na srazy
P 405 MI16 II/T16 6-kvalt
P 405T16 X4
P406 Mi 16V - Krasavec po starém strýčkovi
P 405 T8 4x4 - Kára na zimu
P 405 T16 X4 - pojizdná raketa :D
P 405 MI16 II - Voňavka na srazy
P 405 MI16 II/T16 6-kvalt
P 405T16 X4
- Mitja
- Stálý inventář 205clubu

- Příspěvky: 4659
- Registrován: 27 lis 2007 19:05
- Rok narození: 1986
- Skutečné jméno: Ondra
- tel.:: 0
- Bydliště: Studénka-Butovice
- Kontaktovat uživatele:
Re: Tahla razeni
Jestli myslis kyvani do boku, tak kdyz sundas ten plast s manzetou u satrpaky, tak uvidis takovy velky sroub, na kterem ma prave ta saltrpaka do boku vuli. Ja se na to jen dival, dotahovat jsem to nezkousel protoze radsi to nechavam byt tak jak to je.. ale muzes si s tim zkusit polaborovat.whiler píše:dá se něják upravit řazenhí tak aby se mi nevyklala řadička i při rychlsoti..a aby to nevrzalo?
---------------------------------------------------------------------------------------------------------------
Peugeot 205, 1.1i (44kw), color line, '91 - na vikendy
Renault Megane II sedan, 1.4 16V (72kw), sportway, '09 - hlavni auto
Peugeot 306 sedan, 1.6i (65kw), '95 - na dojezdeni
CPI Popcorn, 50 ccm, '03 - ceka na opravu
Škoda Fabia II 1.4 TDI (59kw), '06 - prace/Misa
Peugeot 205, 1.1i (44kw), color line, '91 - na vikendy
Renault Megane II sedan, 1.4 16V (72kw), sportway, '09 - hlavni auto
Peugeot 306 sedan, 1.6i (65kw), '95 - na dojezdeni
CPI Popcorn, 50 ccm, '03 - ceka na opravu
Škoda Fabia II 1.4 TDI (59kw), '06 - prace/Misa
-
Semir
- 205club je můj domov

- Příspěvky: 802
- Registrován: 21 bře 2008 22:31
- Skutečné jméno: Pavel
- Bydliště: ČR
- Kontaktovat uživatele:
Re: Tahla razeni
Kámoš měl také vůli a neprošel kvůli tomu STK rozhodil manžetu pod pákou a dotáhl to a je to v klidu a bez vůle, jinak co se týká vrzání chce to občas táhla vyhodit z kloubků a namazat vazelinou. Jsou tam nebo alespoň u mě plastová pouzdra a tam to občas drhne. Namažeš a je klid nejlepší A00 na vodní pumpy.
PEUGEOT 205 5.dv Open v TP 2.0 jinak 1.9 75kW r.v.89
Všechny ostatní Pugy vyvrakovány..zbylo pár dílů
Rodinný Ford Galaxy 1,9TDI, na výlety Kawasaki VN800 Classic
Všechny ostatní Pugy vyvrakovány..zbylo pár dílů
Rodinný Ford Galaxy 1,9TDI, na výlety Kawasaki VN800 Classic
