Zapojení konektorů GTi MI16

Vše co se týka problémů a zapojení elektriky, el. obvodů, vnitřní el. výbavy apod.
Uživatelský avatar
skardik
Aktivní uživatel
Aktivní uživatel
Příspěvky: 438
Registrován: 13 srp 2008 21:03
Rok narození: 1984
Skutečné jméno: Jirka
Bydliště: Hlavní město piva
Kontaktovat uživatele:

Zapojení konektorů GTi MI16

Příspěvek od skardik »

Zdravím. dávám na motor mi 16 kabelový svazek z Gti 88kw a nevím co s pár konektorama. Ocenil bych každou radu. Na popisku je vždy co by to asi mělo bejt, případně konektory na zásuvce pro ŘJ, kam dráty vedou. Díky za každou pomoc
Přílohy
1
1
2
2
3
3
4
4
5
5
6
6
7
7
8
8
Pažout 205 1.9 Rallye - MI16 :)
VW Passat Variant B5,5 2,5 V6 TDI 4motion - Prodáno
Suzuki TL 1000S, Powercommander + K&N + RP tuning exhaust - Červená raketa na dvou kolech :)
IVECO Eurocargo E100
Octavia II 2.0FSi 4x4 LaK
Ford Transit Sněhurva
Uživatelský avatar
vinorak
odborník
odborník
Příspěvky: 11375
Registrován: 10 kvě 2007 13:02
Rok narození: 1986
Skutečné jméno: Tomas
tel.:: 0
Bydliště: Praha

Re: Zapojení konektorů GTi MI16

Příspěvek od vinorak »

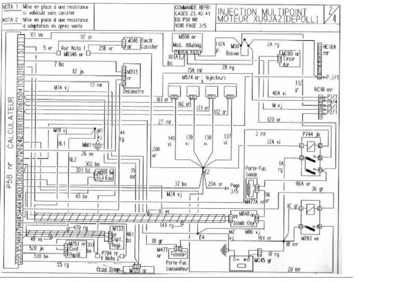
no tak snad ti pomůžou tyhle schémata :myslim: aleco se týče těch dvojitých konektorů s pojiskou tak ty sou jenom u teplota vody pro řj, 2x lambda, šoupátko vzduchu, spínač na škrtící klapce, elektroventil u nádobky s aktivnim uhlím a diagnostika, jinde teda u mě na motoru nejsou ;-)
Přílohy
motronic.JPG
motronic 1.JPG
Naposledy upravil(a) vinorak dne 27 kvě 2009 21:03, celkem upraveno 1 x.
Peugeot 205 1.9 Gti Griffe Obrázek

Citroen c2 1.4 hdi
Uživatelský avatar
Hasis
Stálý inventář 205clubu
Stálý inventář 205clubu
Příspěvky: 4834
Registrován: 03 zář 2007 18:50
Bydliště: Sedlnice
Kontaktovat uživatele:

Re: Zapojení konektorů GTi MI16

Příspěvek od Hasis »

ty dva posledni jak pise vinorak tak jsou pro cidla a te zbytek. mel by k tomu vest dalsi mensi svazek ktery nato jen napojis a druhou stranu nacvakas na ty cidla atd. a ten snimac otackomeru prijde na halův(jezis to jmeno tak nesnasim :m:) snímač je z vrchu na prevodovce. kdyz ho vysroubujes, tak je to takovy valecek o prumeru tak 2cm a delky kolem 5cm.
VTS powa
Uživatelský avatar
skardik
Aktivní uživatel
Aktivní uživatel
Příspěvky: 438
Registrován: 13 srp 2008 21:03
Rok narození: 1984
Skutečné jméno: Jirka
Bydliště: Hlavní město piva
Kontaktovat uživatele:

Re: Zapojení konektorů GTi MI16

Příspěvek od skardik »

Poraďte ještě prosím jak vypadá nádobka s aktivním uhlím[stydící se smajlík]
Pažout 205 1.9 Rallye - MI16 :)
VW Passat Variant B5,5 2,5 V6 TDI 4motion - Prodáno
Suzuki TL 1000S, Powercommander + K&N + RP tuning exhaust - Červená raketa na dvou kolech :)
IVECO Eurocargo E100
Octavia II 2.0FSi 4x4 LaK
Ford Transit Sněhurva
Uživatelský avatar
Gordy
Stálý inventář 205clubu
Stálý inventář 205clubu
Příspěvky: 2641
Registrován: 10 dub 2007 19:43
Skutečné jméno: Jirka
Bydliště: Hradec Králové

Re: Zapojení konektorů GTi MI16

Příspěvek od Gordy »

ty dva konektory u palivového filtru jsou pro diagnostiku na ostatní bych se mohl podívat,kyž bude zejtra čas.Mám doma jak motor 88kW,tak Mi 16
205 GTi (Mi 16) Gekon
205 Roland Garros
205 Winner
Uživatelský avatar
skardik
Aktivní uživatel
Aktivní uživatel
Příspěvky: 438
Registrován: 13 srp 2008 21:03
Rok narození: 1984
Skutečné jméno: Jirka
Bydliště: Hlavní město piva
Kontaktovat uživatele:

Re: Zapojení konektorů GTi MI16

Příspěvek od skardik »

Ještě co patří na tyhle konektory na termostatu? Díky
Přílohy
IMG00096-20090527-1814-800.jpg
Pažout 205 1.9 Rallye - MI16 :)
VW Passat Variant B5,5 2,5 V6 TDI 4motion - Prodáno
Suzuki TL 1000S, Powercommander + K&N + RP tuning exhaust - Červená raketa na dvou kolech :)
IVECO Eurocargo E100
Octavia II 2.0FSi 4x4 LaK
Ford Transit Sněhurva
Uživatelský avatar
Hasis
Stálý inventář 205clubu
Stálý inventář 205clubu
Příspěvky: 4834
Registrován: 03 zář 2007 18:50
Bydliště: Sedlnice
Kontaktovat uživatele:

Re: Zapojení konektorů GTi MI16

Příspěvek od Hasis »

teplota vody a stopka kdyz uz ma voda vic jak 100 stupnu. proste se rozsviti stopka
VTS powa
Uživatelský avatar
Hasis
Stálý inventář 205clubu
Stálý inventář 205clubu
Příspěvky: 4834
Registrován: 03 zář 2007 18:50
Bydliště: Sedlnice
Kontaktovat uživatele:

Re: Zapojení konektorů GTi MI16

Příspěvek od Hasis »

skardik píše:Poraďte ještě prosím jak vypadá nádobka s aktivním uhlím[stydící se smajlík]
mela by byt v motorovem prostoru, pobliz ridivoceho kola
VTS powa
Uživatelský avatar
Gordy
Stálý inventář 205clubu
Stálý inventář 205clubu
Příspěvky: 2641
Registrován: 10 dub 2007 19:43
Skutečné jméno: Jirka
Bydliště: Hradec Králové

Re: Zapojení konektorů GTi MI16

Příspěvek od Gordy »

Hasis píše:
skardik píše:Poraďte ještě prosím jak vypadá nádobka s aktivním uhlím[stydící se smajlík]
mela by byt v motorovem prostoru, pobliz ridivoceho kola
Já ji měl třeba v podběhu LP kola,ale ona stejně vždycky zrezavý a rozpadne se.
205 GTi (Mi 16) Gekon
205 Roland Garros
205 Winner
Uživatelský avatar
skardik
Aktivní uživatel
Aktivní uživatel
Příspěvky: 438
Registrován: 13 srp 2008 21:03
Rok narození: 1984
Skutečné jméno: Jirka
Bydliště: Hlavní město piva
Kontaktovat uživatele:

Re: Zapojení konektorů GTi MI16

Příspěvek od skardik »

No a bez ní to pojede, nebo ne?
Teplota je ten modrej konektor, že jo? A ty ostatní dva jsou teda na tu stopku?
Pažout 205 1.9 Rallye - MI16 :)
VW Passat Variant B5,5 2,5 V6 TDI 4motion - Prodáno
Suzuki TL 1000S, Powercommander + K&N + RP tuning exhaust - Červená raketa na dvou kolech :)
IVECO Eurocargo E100
Octavia II 2.0FSi 4x4 LaK
Ford Transit Sněhurva
Uživatelský avatar
Hasis
Stálý inventář 205clubu
Stálý inventář 205clubu
Příspěvky: 4834
Registrován: 03 zář 2007 18:50
Bydliště: Sedlnice
Kontaktovat uživatele:

Re: Zapojení konektorů GTi MI16

Příspěvek od Hasis »

ten konektor(asi dvou pinovy) nevim na co je. ale na ty ostatni ja aspon mam napojenou teplotu a stopku.(i tak ja mam karburatory a tim padem tu cast kde je termostat z jineho typu auta, takze to nemam na chlup stejne jak ty)
VTS powa
Uživatelský avatar
skardik
Aktivní uživatel
Aktivní uživatel
Příspěvky: 438
Registrován: 13 srp 2008 21:03
Rok narození: 1984
Skutečné jméno: Jirka
Bydliště: Hlavní město piva
Kontaktovat uživatele:

Re: Zapojení konektorů GTi MI16

Příspěvek od skardik »

Hasis píše:snímač je z vrchu na prevodovce. kdyz ho vysroubujes, tak je to takovy valecek o prumeru tak 2cm a delky kolem 5cm.
No taky jsem myslel, že je snímač otáček je to zakroužkovaný, ale ten konektor je třípinovej, zatímco ten snímač na převodovce jen dvoupinovej :cry:
Přílohy
IMG00094-20090527-1802-800.jpg
Naposledy upravil(a) skardik dne 27 kvě 2009 21:41, celkem upraveno 1 x.
Pažout 205 1.9 Rallye - MI16 :)
VW Passat Variant B5,5 2,5 V6 TDI 4motion - Prodáno
Suzuki TL 1000S, Powercommander + K&N + RP tuning exhaust - Červená raketa na dvou kolech :)
IVECO Eurocargo E100
Octavia II 2.0FSi 4x4 LaK
Ford Transit Sněhurva
Uživatelský avatar
skardik
Aktivní uživatel
Aktivní uživatel
Příspěvky: 438
Registrován: 13 srp 2008 21:03
Rok narození: 1984
Skutečné jméno: Jirka
Bydliště: Hlavní město piva
Kontaktovat uživatele:

Re: Zapojení konektorů GTi MI16

Příspěvek od skardik »

Hasis píše:ten konektor(asi dvou pinovy) nevim na co je. ale na ty ostatni ja aspon mam napojenou teplotu a stopku.(i tak ja mam karburatory a tim padem tu cast kde je termostat z jineho typu auta, takze to nemam na chlup stejne jak ty)
Jo tááák. To bude teplota vody na budíku :urg: a ten modrej je teplota pro řídící jednotku :urg:
Pažout 205 1.9 Rallye - MI16 :)
VW Passat Variant B5,5 2,5 V6 TDI 4motion - Prodáno
Suzuki TL 1000S, Powercommander + K&N + RP tuning exhaust - Červená raketa na dvou kolech :)
IVECO Eurocargo E100
Octavia II 2.0FSi 4x4 LaK
Ford Transit Sněhurva
Uživatelský avatar
Bluedevil
Uživatel
Uživatel
Příspěvky: 164
Registrován: 23 úno 2009 22:36
Rok narození: 1983
Skutečné jméno: Pavel
Bydliště: Teplice
Kontaktovat uživatele:

Re: Zapojení konektorů GTi MI16

Příspěvek od Bluedevil »

skardik píše:
Hasis píše:snímač je z vrchu na prevodovce. kdyz ho vysroubujes, tak je to takovy valecek o prumeru tak 2cm a delky kolem 5cm.
No taky jsem myslel, že je snímač otáček je to zakroužkovaný, ale ten konektor je třípinovej, zatímco ten snímač na převodovce jen dvoupinovej :cry:
To so máš zakroužkovaný je hlavně čidlo na světla na zpátečku... ;-)
Peugeot 205 CJ - letní mazlík :)
Citroen BX GTi 16v - mazlík
Citroen ZX 1.6 Aura
Citroen AX 1.1 - je z něj zahradní traktůrek :D
Citroen Xantia 2.0CT Activa - prodáno :(
Uživatelský avatar
Bluedevil
Uživatel
Uživatel
Příspěvky: 164
Registrován: 23 úno 2009 22:36
Rok narození: 1983
Skutečné jméno: Pavel
Bydliště: Teplice
Kontaktovat uživatele:

Re: Zapojení konektorů GTi MI16

Příspěvek od Bluedevil »

Jinak nechápu proč nedáš kabeláž rovnou z Mi16??? :zin:
Peugeot 205 CJ - letní mazlík :)
Citroen BX GTi 16v - mazlík
Citroen ZX 1.6 Aura
Citroen AX 1.1 - je z něj zahradní traktůrek :D
Citroen Xantia 2.0CT Activa - prodáno :(
Odpovědět