Zapojení konektorů GTi MI16
- skardik
- Aktivní uživatel

- Příspěvky: 438
- Registrován: 13 srp 2008 21:03
- Rok narození: 1984
- Skutečné jméno: Jirka
- Bydliště: Hlavní město piva
- Kontaktovat uživatele:
Zapojení konektorů GTi MI16
Zdravím. dávám na motor mi 16 kabelový svazek z Gti 88kw a nevím co s pár konektorama. Ocenil bych každou radu. Na popisku je vždy co by to asi mělo bejt, případně konektory na zásuvce pro ŘJ, kam dráty vedou. Díky za každou pomoc
Pažout 205 1.9 Rallye - MI16 :)
VW Passat Variant B5,5 2,5 V6 TDI 4motion - Prodáno
Suzuki TL 1000S, Powercommander + K&N + RP tuning exhaust - Červená raketa na dvou kolech :)
IVECO Eurocargo E100
Octavia II 2.0FSi 4x4 LaK
Ford Transit Sněhurva
VW Passat Variant B5,5 2,5 V6 TDI 4motion - Prodáno
Suzuki TL 1000S, Powercommander + K&N + RP tuning exhaust - Červená raketa na dvou kolech :)
IVECO Eurocargo E100
Octavia II 2.0FSi 4x4 LaK
Ford Transit Sněhurva
- vinorak
- odborník

- Příspěvky: 11375
- Registrován: 10 kvě 2007 13:02
- Rok narození: 1986
- Skutečné jméno: Tomas
- tel.:: 0
- Bydliště: Praha
Re: Zapojení konektorů GTi MI16
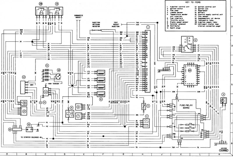
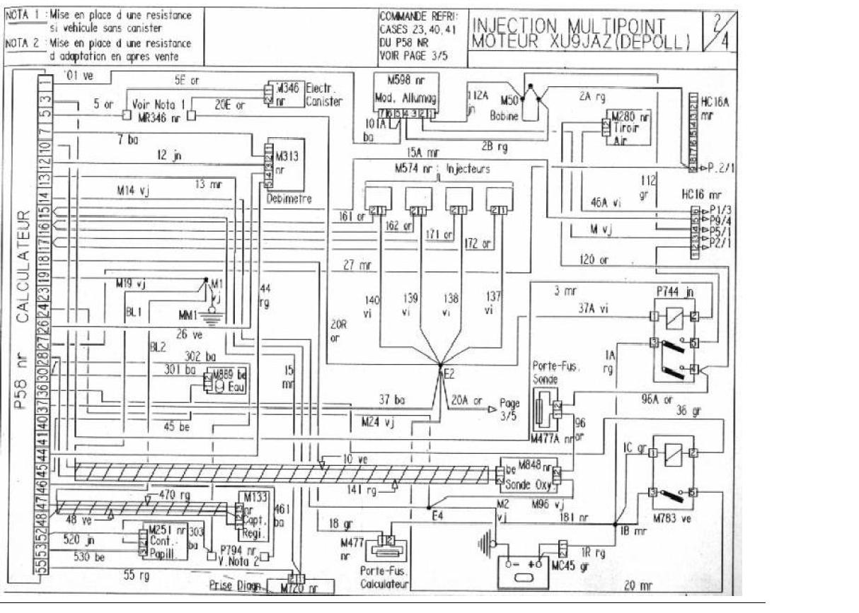
no tak snad ti pomůžou tyhle schémata
aleco se týče těch dvojitých konektorů s pojiskou tak ty sou jenom u teplota vody pro řj, 2x lambda, šoupátko vzduchu, spínač na škrtící klapce, elektroventil u nádobky s aktivnim uhlím a diagnostika, jinde teda u mě na motoru nejsou 
Naposledy upravil(a) vinorak dne 27 kvě 2009 21:03, celkem upraveno 1 x.
- Hasis
- Stálý inventář 205clubu

- Příspěvky: 4834
- Registrován: 03 zář 2007 18:50
- Bydliště: Sedlnice
- Kontaktovat uživatele:
Re: Zapojení konektorů GTi MI16
ty dva posledni jak pise vinorak tak jsou pro cidla a te zbytek. mel by k tomu vest dalsi mensi svazek ktery nato jen napojis a druhou stranu nacvakas na ty cidla atd. a ten snimac otackomeru prijde na halův(jezis to jmeno tak nesnasim
) snímač je z vrchu na prevodovce. kdyz ho vysroubujes, tak je to takovy valecek o prumeru tak 2cm a delky kolem 5cm.
VTS powa
- skardik
- Aktivní uživatel

- Příspěvky: 438
- Registrován: 13 srp 2008 21:03
- Rok narození: 1984
- Skutečné jméno: Jirka
- Bydliště: Hlavní město piva
- Kontaktovat uživatele:
Re: Zapojení konektorů GTi MI16
Poraďte ještě prosím jak vypadá nádobka s aktivním uhlím[stydící se smajlík]
Pažout 205 1.9 Rallye - MI16 :)
VW Passat Variant B5,5 2,5 V6 TDI 4motion - Prodáno
Suzuki TL 1000S, Powercommander + K&N + RP tuning exhaust - Červená raketa na dvou kolech :)
IVECO Eurocargo E100
Octavia II 2.0FSi 4x4 LaK
Ford Transit Sněhurva
VW Passat Variant B5,5 2,5 V6 TDI 4motion - Prodáno
Suzuki TL 1000S, Powercommander + K&N + RP tuning exhaust - Červená raketa na dvou kolech :)
IVECO Eurocargo E100
Octavia II 2.0FSi 4x4 LaK
Ford Transit Sněhurva
- Gordy
- Stálý inventář 205clubu

- Příspěvky: 2641
- Registrován: 10 dub 2007 19:43
- Skutečné jméno: Jirka
- Bydliště: Hradec Králové
Re: Zapojení konektorů GTi MI16
ty dva konektory u palivového filtru jsou pro diagnostiku na ostatní bych se mohl podívat,kyž bude zejtra čas.Mám doma jak motor 88kW,tak Mi 16
205 GTi (Mi 16) Gekon
205 Roland Garros
205 Winner
205 Roland Garros
205 Winner
- skardik
- Aktivní uživatel

- Příspěvky: 438
- Registrován: 13 srp 2008 21:03
- Rok narození: 1984
- Skutečné jméno: Jirka
- Bydliště: Hlavní město piva
- Kontaktovat uživatele:
Re: Zapojení konektorů GTi MI16
Ještě co patří na tyhle konektory na termostatu? Díky
Pažout 205 1.9 Rallye - MI16 :)
VW Passat Variant B5,5 2,5 V6 TDI 4motion - Prodáno
Suzuki TL 1000S, Powercommander + K&N + RP tuning exhaust - Červená raketa na dvou kolech :)
IVECO Eurocargo E100
Octavia II 2.0FSi 4x4 LaK
Ford Transit Sněhurva
VW Passat Variant B5,5 2,5 V6 TDI 4motion - Prodáno
Suzuki TL 1000S, Powercommander + K&N + RP tuning exhaust - Červená raketa na dvou kolech :)
IVECO Eurocargo E100
Octavia II 2.0FSi 4x4 LaK
Ford Transit Sněhurva
- Hasis
- Stálý inventář 205clubu

- Příspěvky: 4834
- Registrován: 03 zář 2007 18:50
- Bydliště: Sedlnice
- Kontaktovat uživatele:
Re: Zapojení konektorů GTi MI16
teplota vody a stopka kdyz uz ma voda vic jak 100 stupnu. proste se rozsviti stopka
VTS powa
- Hasis
- Stálý inventář 205clubu

- Příspěvky: 4834
- Registrován: 03 zář 2007 18:50
- Bydliště: Sedlnice
- Kontaktovat uživatele:
Re: Zapojení konektorů GTi MI16
mela by byt v motorovem prostoru, pobliz ridivoceho kolaskardik píše:Poraďte ještě prosím jak vypadá nádobka s aktivním uhlím[stydící se smajlík]
VTS powa
- Gordy
- Stálý inventář 205clubu

- Příspěvky: 2641
- Registrován: 10 dub 2007 19:43
- Skutečné jméno: Jirka
- Bydliště: Hradec Králové
Re: Zapojení konektorů GTi MI16
Já ji měl třeba v podběhu LP kola,ale ona stejně vždycky zrezavý a rozpadne se.Hasis píše:mela by byt v motorovem prostoru, pobliz ridivoceho kolaskardik píše:Poraďte ještě prosím jak vypadá nádobka s aktivním uhlím[stydící se smajlík]
205 GTi (Mi 16) Gekon
205 Roland Garros
205 Winner
205 Roland Garros
205 Winner
- skardik
- Aktivní uživatel

- Příspěvky: 438
- Registrován: 13 srp 2008 21:03
- Rok narození: 1984
- Skutečné jméno: Jirka
- Bydliště: Hlavní město piva
- Kontaktovat uživatele:
Re: Zapojení konektorů GTi MI16
No a bez ní to pojede, nebo ne?
Teplota je ten modrej konektor, že jo? A ty ostatní dva jsou teda na tu stopku?
Teplota je ten modrej konektor, že jo? A ty ostatní dva jsou teda na tu stopku?
Pažout 205 1.9 Rallye - MI16 :)
VW Passat Variant B5,5 2,5 V6 TDI 4motion - Prodáno
Suzuki TL 1000S, Powercommander + K&N + RP tuning exhaust - Červená raketa na dvou kolech :)
IVECO Eurocargo E100
Octavia II 2.0FSi 4x4 LaK
Ford Transit Sněhurva
VW Passat Variant B5,5 2,5 V6 TDI 4motion - Prodáno
Suzuki TL 1000S, Powercommander + K&N + RP tuning exhaust - Červená raketa na dvou kolech :)
IVECO Eurocargo E100
Octavia II 2.0FSi 4x4 LaK
Ford Transit Sněhurva
- Hasis
- Stálý inventář 205clubu

- Příspěvky: 4834
- Registrován: 03 zář 2007 18:50
- Bydliště: Sedlnice
- Kontaktovat uživatele:
Re: Zapojení konektorů GTi MI16
ten konektor(asi dvou pinovy) nevim na co je. ale na ty ostatni ja aspon mam napojenou teplotu a stopku.(i tak ja mam karburatory a tim padem tu cast kde je termostat z jineho typu auta, takze to nemam na chlup stejne jak ty)
VTS powa
- skardik
- Aktivní uživatel

- Příspěvky: 438
- Registrován: 13 srp 2008 21:03
- Rok narození: 1984
- Skutečné jméno: Jirka
- Bydliště: Hlavní město piva
- Kontaktovat uživatele:
Re: Zapojení konektorů GTi MI16
No taky jsem myslel, že je snímač otáček je to zakroužkovaný, ale ten konektor je třípinovej, zatímco ten snímač na převodovce jen dvoupinovejHasis píše:snímač je z vrchu na prevodovce. kdyz ho vysroubujes, tak je to takovy valecek o prumeru tak 2cm a delky kolem 5cm.
Naposledy upravil(a) skardik dne 27 kvě 2009 21:41, celkem upraveno 1 x.
Pažout 205 1.9 Rallye - MI16 :)
VW Passat Variant B5,5 2,5 V6 TDI 4motion - Prodáno
Suzuki TL 1000S, Powercommander + K&N + RP tuning exhaust - Červená raketa na dvou kolech :)
IVECO Eurocargo E100
Octavia II 2.0FSi 4x4 LaK
Ford Transit Sněhurva
VW Passat Variant B5,5 2,5 V6 TDI 4motion - Prodáno
Suzuki TL 1000S, Powercommander + K&N + RP tuning exhaust - Červená raketa na dvou kolech :)
IVECO Eurocargo E100
Octavia II 2.0FSi 4x4 LaK
Ford Transit Sněhurva
- skardik
- Aktivní uživatel

- Příspěvky: 438
- Registrován: 13 srp 2008 21:03
- Rok narození: 1984
- Skutečné jméno: Jirka
- Bydliště: Hlavní město piva
- Kontaktovat uživatele:
Re: Zapojení konektorů GTi MI16
Jo tááák. To bude teplota vody na budíkuHasis píše:ten konektor(asi dvou pinovy) nevim na co je. ale na ty ostatni ja aspon mam napojenou teplotu a stopku.(i tak ja mam karburatory a tim padem tu cast kde je termostat z jineho typu auta, takze to nemam na chlup stejne jak ty)
Pažout 205 1.9 Rallye - MI16 :)
VW Passat Variant B5,5 2,5 V6 TDI 4motion - Prodáno
Suzuki TL 1000S, Powercommander + K&N + RP tuning exhaust - Červená raketa na dvou kolech :)
IVECO Eurocargo E100
Octavia II 2.0FSi 4x4 LaK
Ford Transit Sněhurva
VW Passat Variant B5,5 2,5 V6 TDI 4motion - Prodáno
Suzuki TL 1000S, Powercommander + K&N + RP tuning exhaust - Červená raketa na dvou kolech :)
IVECO Eurocargo E100
Octavia II 2.0FSi 4x4 LaK
Ford Transit Sněhurva
- Bluedevil
- Uživatel

- Příspěvky: 164
- Registrován: 23 úno 2009 22:36
- Rok narození: 1983
- Skutečné jméno: Pavel
- Bydliště: Teplice
- Kontaktovat uživatele:
Re: Zapojení konektorů GTi MI16
To so máš zakroužkovaný je hlavně čidlo na světla na zpátečku...skardik píše:No taky jsem myslel, že je snímač otáček je to zakroužkovaný, ale ten konektor je třípinovej, zatímco ten snímač na převodovce jen dvoupinovejHasis píše:snímač je z vrchu na prevodovce. kdyz ho vysroubujes, tak je to takovy valecek o prumeru tak 2cm a delky kolem 5cm.
Peugeot 205 CJ - letní mazlík :)
Citroen BX GTi 16v - mazlík
Citroen ZX 1.6 Aura
Citroen AX 1.1 - je z něj zahradní traktůrek :D
Citroen Xantia 2.0CT Activa - prodáno
Citroen BX GTi 16v - mazlík
Citroen ZX 1.6 Aura
Citroen AX 1.1 - je z něj zahradní traktůrek :D
Citroen Xantia 2.0CT Activa - prodáno
- Bluedevil
- Uživatel

- Příspěvky: 164
- Registrován: 23 úno 2009 22:36
- Rok narození: 1983
- Skutečné jméno: Pavel
- Bydliště: Teplice
- Kontaktovat uživatele:
Re: Zapojení konektorů GTi MI16
Jinak nechápu proč nedáš kabeláž rovnou z Mi16??? 
Peugeot 205 CJ - letní mazlík :)
Citroen BX GTi 16v - mazlík
Citroen ZX 1.6 Aura
Citroen AX 1.1 - je z něj zahradní traktůrek :D
Citroen Xantia 2.0CT Activa - prodáno
Citroen BX GTi 16v - mazlík
Citroen ZX 1.6 Aura
Citroen AX 1.1 - je z něj zahradní traktůrek :D
Citroen Xantia 2.0CT Activa - prodáno
